Skip to product information
1 of 6

BuildYourCNC

Mach3 USB Interface Board

Mach3 USB Interface Board

Regular price $35.00 USD
Regular price Sale price $35.00 USD
Sale Sold out
Title

This Mach3 USB Controller will run Mach3 through a standard USB port on a PC. You can use Windows 10 or older Windows versions (32-bit or 64-bit). This controller requires the Mach3 CNC software. Purchase the Mach3 License here.

If you're tired of needing a parallel port and an outdated PC to run Mach3, this is the solution you've been waiting for! Our newest interface board communicates through any standard USB port. Simply install the card's plugin for Mach3 and follow the setup instructions.

Note: We are an authorized Mach3 distributor. Please purchase an official Mach3 license to run Mach3. Using a counterfeit license will void support for this product.

Package Includes:

  • Mach3 USB Board
  • USB Cable

Manual and Driver Downloads Click on links to download or view:


Setup Instructions:

  1. Installing Mach3: You will need to purchase a Mach3 license and download the software. If you already have a licensed copy of Mach3, skip this step.
  2. Install the USB Motion Driver: Download the RnRMotion.dll from the link above. Copy and paste the file into your Mach3 Plugins folder (e.g., "C:/Program Files/Mach3/Plugins").
  3. Connect the USB Board: Ensure the board is connected to the PC via a USB cable. It should automatically recognize the USB device.
  4. Select the Driver in Mach3: Open Mach3 and select the "RnRMotionController" driver when prompted. Check the "Don't ask me again" option to ensure seamless communication between the board and Mach3.
  5. Load the Mach3 Config File: Download the Mach3Mill.xml configuration file by right-clicking on the link above and selecting "Save As". Save the file in your Mach3 root folder.

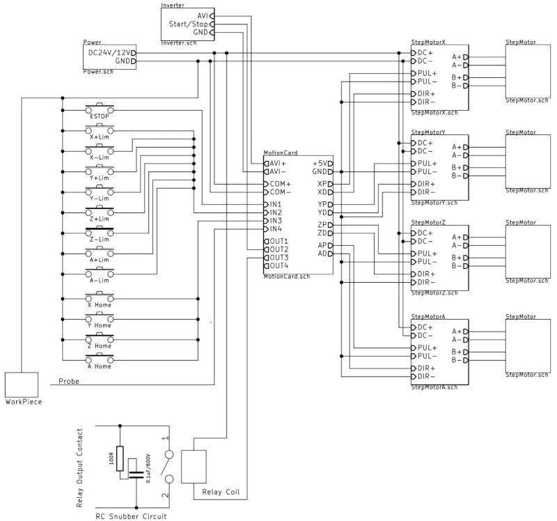
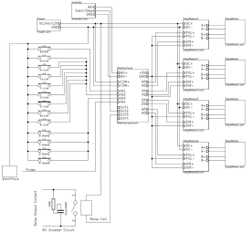
Note: An additional power source is required for the limit switches and spindle portion of the board. Functional Overview: RNR Universal USB Motion Card is designed for Mach3 software. Its functions and features are as follows: - Supports up to 4-axis linkage control. The 4th axis can be set as the slave axis. - The output pulse is 100K. The minimum error interpolation algorithm is high processing accuracy. - USB interface, suitable for any netbook with USB interface, laptop, desktop and tablet PC compatible computers - No driver Designed to be better compatible with various hardware and software environments (supports WinXP and WIN7 systems). We have tested it with Windows 10 systems and it seems to work fine. - Supports automatic homing (return to zero) - Slave axis auto-levels at homing - Supports automatic tool setting - Supports emergency stop input - Support limit switch access - Support spindle control (PWM mode and relay mode) - Provide 4 channels with optocoupler isolated digital signal input - Provide up to 12 digital signal inputs - Provide 4 channels with optocoupler isolated relay output - Support handwheel Interface - Interference design, imported industrial components, high reliability

View full details

Instructions

1
Step 1
Wiring Diagram
2
Step 2
Diagram of the Mach3 USB Controller: Red Terminals - Step and direction signals to connect to stepper motor drivers. Yellow - USB Connector Brown - Status LED Blue - Input/Output Terminals Green - Hand wheel connector
3
Step 3
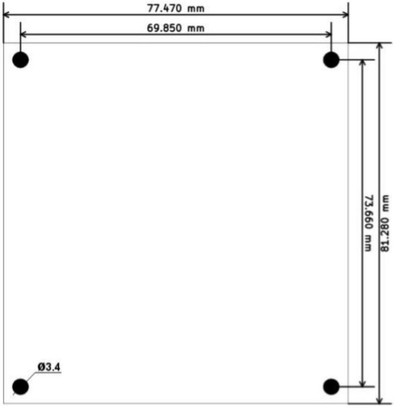
Controller board dimensions: Mounting dimensions are 69.85 mm in the short side and 73.66 mm in the long side. Overall board dimensions are 77.47 mm on the short side and 81.28 mm on the long side.
4
Step 4
First Use: For the first time the user of the RNR motion control card will need to make some necessary settings. First, install the Mach3 software and remember where the Mach3 software is installed. Copy the Plugins RnRMotion.dll file to the Mach3 Plugins folder. Connect one end of the USB cable to the RNR universal motion control card and the other end to a computer. This product adopts the drive-free design. The Windows system can automatically detect the RNR universal motion control card and does not require the user to additionally install the device driver. If you click on the device driver installation icon on the bottom right of the desktop, you will see a pop up window dialog box that should show "RNR ECO MOTION 2.0". For the first time, the RNR universal motion control card is connected, the system detection takes about 10 seconds. After the system correctly detects the RNR motion control card, the blue LED will light up. In this way, we know that the RNR universal motion control card can be used.
5
Step 5
Next, start the Mach3 software. When Mach3 software is started, a pop-up control dialog selection screen will appear. Select [RnR motion control card -ECO-V2.0] After the above operation, we can use Mach3 software to control our machine tools and other automatic equipment.
6
Step 6
Pulse output: Connection (step / servo) motor driver RNR motion control card can control 4 motors, respectively named X axis, Y axis, Z axis, and A axis. Each axis motor control signal has a 2: command pulse signal P four-axis (a signal corresponding to the "XP", "YP", "ZP" and "AP" and the direction signal D a four-axis (signal corresponds to the "XD ", "YD", "ZD" and "AD"). The motor driver signal Interface usually has a single-ended or differential mode.
7
Step 7
Differential Mode: For the of the motor to drive in a differential manner, wire the RNR motion control card as shown in the image.
8
Step 8
Single-Ended: Interface to the single-ended motor driver usually has two forms. The most common type is that one end of its internal signal isolation optocoupler is connected to the internal 5V power supply. This kind of driver input interface is the same as the RNR motion controller card wiring in this image.
9
Step 9
Addition Information on the driver signals and the 5v terminal: RNR motion control card pulse output ports includes a pair of power output 5V terminals (5V, GND), this provides for 5V DC power supply terminals for the motor driver input interface for wiring. No special requirements, please avoid introducing other power lines on this interface. When an axis direction of movement with the expected direction of motion during reverse operation, the motor output can be altered [(Motor Outputs)] in direction) interface [Mach3Dir Low Active Item to reverse the direction of motion. When a shaft of the motor running, sounds very harsh, the output pulse polarity is not required with the motor driver phase reversed. you can try [(Motor Outputs)] Mach3 changes in configuration interface the [Pulse Low Active (active low pulse)] option to change the output illustrating Pulse polarity.
10
Step 10
Note that the RNR motion control card output signal is "1" (high level) at this time , the motor driver optocoupler output signal is "0"; RNR motion control card the output signal is "0" (low when level),the motor driver optocoupler output signal is "1." Therefore, the Mach3 must be Motor Outputs in configured as Low Active. Configuration methods: Select Menu [Set (Config)], select [port / pin pin (Ports and Pins)], select Motor output (Motor Output)] p, modified as in the image.
11
Step 11
Another form of motor controller in single-ended mode, signal isolation optocoupler with one end of the internal connected to the internal power ground. This kind of driver input interface is the same RNR as the wiring diagram of the motion control card in this image.
12
Step 12
Slave Axis Setting: Some mechanical devices adopt the gantry structure which may need a dual motor drive. RNR motion control card may be provided as a slave axis, it can be specified with the A axis stepper motor to move the gantry. along with the X axis stepper motor. To set the A axis as a slave axis: Select the Mach3 menu [(Config)], select [(Slave Axis)], You will see a dialog box as shown in the image The A axis becomes the slave axis of the X axis. When the X axis moves, the A axis will X move synchronously. When the X-axis performs a home operation, the A-axis is automatically balanced (see the Automatic Homing section).
13
Step 13
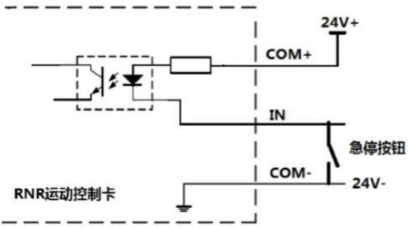
Input Signals: RNR universal motion control card provides four optocoupler isolated signal inputs. As needed,a user can flexibly be defined as input signals the signal on the knife, homing signal, stop signal, the limit switch signal input or user-defined input signal. The signal input circuit of the RNR all-round motion control card is shown as in the image. The user should connect the COM+ terminal to an externally supplied positive 24V of the 24V DC power supply should be DC power supply; the negative terminal connected to the COM- terminal. When the IN1..IN4 terminal is negative terminal of the 24V power supply shorted to the, the loop is closed and the corresponding input signal is logic "1"; the IN1..IN4 terminal is open and the corresponding input signal is logic "0".
14
Step 14
This is a simple sketch of how the limit switches should be connected to the Mach3 USB board. You will need an additional power supply to power this portion of the board. 24V is not necessary. A 12 volt source coming from a PC power supply or AC adapter should suffice.
15
Step 15
Wiring for the input signal The signal input terminal is often connected to the proximity switch, mechanical limit switch or a photoelectric switch. The image shows the wiring for a proximity switch OMRON proximity switch TL-Q5MC2 (TL-Q5MC2 DC 3-wire, the NPN type, the power supply voltage DC12-24V,collector open output)
16
Step 16
Photoelectric switches are often used as limit switches or origin/home switches by photoelectric RG150-8(light emitting diode photoelectric switch RG150-8 maximum current 50mA, NPN type open collector output.), For example, RNR versatile motion control card photoelectric switch wiring: in the image
17
Step 17
Photoelectric switches are normally open and when the optical gap is blocked, the photoelectric switch is turned off. Therefore, the signal input terminal is always logic "1" and becomes logic "0" when blocked. This is contrary to typical limit switch operation. For this configuration, we must configure the corresponding input terminal to [Active Low via Mach3 software]. The configuration method is: select the menu [Config], select [Ports and Pins], and then select [Input Signals] Page, as shown in the image. It is assumed that the user will connect the photoelectric switch to the IN1 terminal as the X-axis limit switch. At this point, you should check the Active Low of X++ and X-.
18
Step 18
Emergency Stop Button When the user presses the [Emergency Stop] button during processing, the machining process will be terminated immediately. This eliminates accidents the first time they occur. For safety reasons, we strongly recommend that you add an external input (IN1..IN4) terminal to the emergency stop button. The Emergency stop button wiring diagram as shown in the image.
19
Step 19
Assume that the user connects the emergency stop button to the IN1 terminal. Accordingly, we need in to make configuration Mach3 software. The configuration method is: Select [Config], select [Ports and Pins], and select [Input Signals] page. Pull down the scroll bar, find the line with the name [Signal] [EStop],line of the Estop line check the [Enable], and set the Port # to 3. Port 3 is set means that the signal is processed by the RNR motion control card. Other port numbers indicate that this signal is not related to the RNR motion control card. Setting the Pin Number to "1" means that this signal is connected to the IN1 of the RNR Motion Control Card terminal. After the configuration is complete, click OK. Try running some G-Code and press the emergency stop button on the terminal IN1. Observe that the machine will stop.
20
Step 20
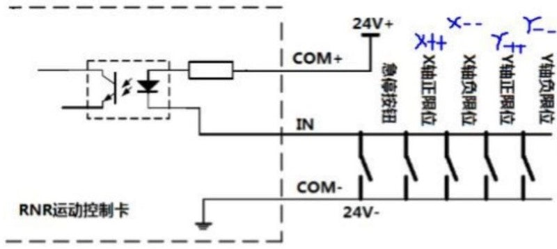
Limit When the limit switch is activated, the machining process will terminate immediately. This can effectively prevent the tool from moving outside the work area and cause danger. This is the same effect as pressing the emergency stop button. Therefore, we recommend that users connect limit switches. In order to only use a single input terminal, all of the switches can be wired in NO (Normally Open) configuration to the same signal input terminal. Limit switches are wired as shown in the image.
21
Step 21
The assumption here is that the limit switch connected to the terminals IN1, then the configuration is as follows: Click Config, select (Ports and Pins), and then select (Input Signals). Pull down the scroll bar and find the [Signal] name [X++ (X axis positive limit)], [X--(X axis negative limit position)], [Y++ (Y axis positive limit position)], [Y--( Y-axis negative limit)], [Z ++ (Z-axis positive limit)] and other lines, the Enable [check]the {port # (port) is set to 3], the [Pin number (pin number)] is provided Is "1". As shown in the image. Note that if the selected limit switch is a photoelectric switch, since the photoelectric switch is normally open, reference should also be a content of "input terminal wiring", the corresponding [active low (active low)]checked. In addition, when wiring, the switches are not connected in parallel, but instead should be connected in series
22
Step 22
The Automatic Return to the Origin or Homing RNR motion control card supports the automatic return to origin function of each axis. The automatic return to each axis origin consists of four consecutive stages. First stage is based on the set direction, with G0 (axis's rapid traverse) rate the percentage as given by the [Speed%] parameter in Mach3 towards the origin until it touches the origin switch; Second stage: G0 rate from the origin switch, is set to fall back from the stop; Third stage: the rate of movement at a rate of 1/10 of the first stage, gradually toward the moving origin,the origin until the touch switch stops with touches the origin switch at a very slow rate to ensure the accuracy of the origin; Fourth Stage: In the same stage as the second stage, it will stop at the G0 rate after going back to the set distance. This ensures that the axis completely leaves the origin switch. As described in the "limit switch setting" in the previous section, in order to use only one input terminal, the origin switches of the four axes can be connected in parallel and share one input signal terminal (IN1..IN4).
23
Step 23
Mach3 software must be configured accordingly for the parallel normally open wiring configuration. It is assumed that the origin or home switch is connected to the IN2 terminal. The configuration method is: at the menu [Config], select [Ports and Pins], and then select the [Input Signals] page. Pull down the scroll bar to find the [Signal] names [X Home (X-axis home switch)], [Y Home (Y-axis home switch)], [Z Home (Z-axis home switch)], [A Home (A-axis origin) Switch)], select [Enable] to select [Port #] as "3" and [Pin Number] as "2". As shown in the figure:
24
Step 24
Homing rate configuration method Select the menu (Config), select (Homing / Limits) in [motor homing / Soft Limits)] (Motor Home / interface, find the line where the axis is located. Modify by changing[Speed %] the value. For example, we expect to perform with 50% of the G0 (Axis Rapid Move) rate homing, then set [Speed %] to "50". When returning to the origin, the direction of the axis movement is related to the position of the origin switch. If the origin switch is mounted on one end of the negative axis of the shaft, the [Home Neg] item should be checked. If the origin point switch is installed on one end of the positive axis of the shaft, [Home Neg] should be crossed as shown in the image
25
Step 25
The second and fourth phases of the automatic return to origin process are the back-off phase after returning to the origin. Set distance fallback method is: select the menu (Config), select (Config Plugins). In the pop-up window, find the [RnR Motion Control Card-ECO-V2.0] line and click [CONFIG] to display the [RNR Universal Motion Control Card Parameter Settings] dialog box.
26
Step 26
In the Return to Zero setting box, change the back-off distance for each axis. As shown in the image, change the axes to "0.8". In this way, the return distance is "0.8" units when you return to the origin. Also, click the pull off checkbox to enable the pull off. Setup is completed, do not forget to click [Save].
27
Step 27
The Automatic Origin Homing of Axis with Slave Axis The axis and its corresponding axis of the slave axis must be equipped with a home switch, and the origin slave axis and the origin switch of the switch of its corresponding axis should be connected from the two signal input terminals. Here assumed is that the slave axis A-axis is the X axis, the X axis is mounted a home switch, A shaft is home switch mounted. When the X-axis performs a home operation, in the first stage, both the X-axis and the A-axis move toward the origin. The axis that first hits the origin switch will stop moving, and the other axis will continue to move until it touches the origin switch. The third stage is similar to the first stage. In this way, the two axes are balanced when they are automatically returned to the origin.
28
Step 28
The automatic tool setting RNR motion control card supports the automatic tool setting function. In Mach3, automatic tool setting can be used to automatically measure and compensate the tool length, position the workpiece, find the center of the workpiece, and find the center point of the workpiece. To use the automatic tool setting, an RNR universal motion controller card needs a signal input terminal (IN1..IN4) to be attached to the tool setter. This setter is also called a Z-Axis touch plate. The nature of the tool holder is a micro switch. Therefore, the self-made touch plate is very simple. Two wires, a connecting tool or edge finder, a connection to a single-sided printed circuit board or a connected workpiece. When the tool or edge finder hits circuit board the copper layer or metal workpiece, the line is turned on and the tool setting signal input is completed. Select an input signal at an input signal terminal IN1..IN4 signal as a touch plate.
29
Step 29
Assuming the input signal is selected as a terminal IN1 signal input tool. The setting method in Mach3 is: select [Config], select [Ports and Pins], and then select [Input Signals] page. Find the line where [Signal] is [Probe], check the [Enable] item, modify [Port #] to "3", and modify [Pin Number] to "1". In Mach3, the specific tool setting process is accomplished through VBScript script code. VBScript script code requires the user to write according to the actual situation. Many VB scripts can be found on the internet. You will need to customize the code for your application.
30
Step 30
Automatic Tool Clearing Automatic tool clearing function helps the user to remove the tool length and workpiece thickness, and the Z defines the zero coordinate of axis to the machining surface of the workpiece. Mach3 does not provide automatic zeroing for the script code. We need to program the automatic tool zeroing function. Programming steps: Select menu (Operator) and select (Edit Button Script), and then find the (Program Run) screen, click (Auto Tool Zero) button.
31
Step 31
As shown in the figure, Mach3 will pop up the scripting window, as shown in the image. Delete the original script code in the window and replace it with code that will work for your application.
32
Step 32
The Handwheel Interface RNR motion control card provides a handwheel interface to the user-supplied handwheel. Note that the handwheel interface has a withstand voltage of 5V, so only connect DC 5V powered handwheels. When the handwheel interface input exceeds 5V, it will cause damage to RNR's motion control card. Below Each pin is described as follows: - 5V positive and 5V negative: DC 5V power supply is available, which can be used to supply power to the handwheel - X-axis, Y-axis, Z-axis, A-axis : a shaft connected to the hand wheel switch, used to select the desired axis jog - A and B: connecting the hand wheel encoder outputs A and B - X10: handwheel rate 10 times magnification - X100: handwheel The rate100x Enhancement handwheel interface is compatible with Weihong system handwheels. WeiHong handwheel 15 Plug pin numbers. Weihong Handwheel Pin Definitions Connect to Handwheel Interface 1 VCC,L+ 5V Positive 2 A - A 3 B - B 4 Empty 5 Empty 6 X1 7 X10 - X10 8 X100 - X100 9 4 Axis - A Axis 10 Empty 11 COM Terminal, 0V,L - 5V Negative 12 Empty 13 Z Axis - Z Axis 14 Y Axis - Y Axis 15 X Axis - X Axis
33
Step 33
Mach3 Handwheel Setting Connecting the handwheel, the Mach3 must be set to enable handwheel jogging. Setup method: Select Menu [Set (Config)], select (Ports and Pins), select (Encoder / MPG "s) page, the [MPG # 1} [Enable] is checked, as shown in the image. Press [OK] to save the setting
34
Step 34
Press [Tab] on the keyboard to call out the Mach3 Handwheel control. Click the [Jog Mode] button to switch the jog mode to [MPG (Handwheel)] mode and tap [Alt A] to switch the X axis selection as shown above. Gently rotate the handwheel encoder to see if it can control X-axis movement.
35
Step 35
Handwheel Interface as an Extended Input Signal If you do not need to connect a handwheel, you can use the handwheel interface as extra input signals. The handwheel conector will provide 8 more input signals, and with the previous 4 signal inputs IN1..IN4, will provide a total of 12 input signals. The signal input hand wheel interface correspond to the terminals of the following: - X axis: IN5 - Y axis: IN6 - Z Axis: IN7 - A axis: IN8 - X10: IN9 - X100:IN10 - A:IN11 - B:IN12 Note: IN5..IN12 handwheel input terminal does not support the interface corresponding to the limit or homing position, tool setting, only as a regular input of the switch used (typically used as a connection control panel). wiring signal input to the X-axis, for example, we need the X-axis access to Input signal internal Interface schematic principle handwheel As follows:
36
Step 36
When the signal input switch is closed and shorted to ground, the logic signal "1" is input to the X axis. We select the Mach3 menu [Config] and select [Ports and Pins] and then select the [Input Signals] page. Drag the scroll bar to find the line where [Signal] is [Input #1],[Enable] select, and change [Port #] to For "3", change the [Pin Number] to "5" so that the Mach3 input signal [Input #1] corresponds to the input of the handwheel X. Select the
37
Step 37
Look at the Diagnostics page of Mach 3. When you close the X axis external switch, you will see Input 1] Display turns green.
38
Step 38
Output Signals RNR motion control card provides four optocoupler isolated outputs. An output terminal adopt Darlington ULN2003, capable of driving an external relay or indicator. Drive capacity is 60mA. Wiring of output signal to relay. COM+ and COM- of the signal output terminal block respectively connect the positive and 24V DC power supply negative poles of the. The output terminals OUT1..OUT4 are connected to the relay coil via a current limiting resistor (relay the other end of the coil is connected to the positive terminal of the 24V power supply). Wherein the resistance of the current limiting resistor based on requested relay.
39
Step 39
Spindle Motor Control Mach3 supports spindle motor control. Mach3 offers three spindle motor control methods. The first is relay mode. Mach3 outputs control signals through two signal output terminals. The second is the PWM mode. In this mode, Mach3 through the signal output outputs the PWM signal with a certain duty cycle output terminal that will create a (DC) spindle motor speed control. The third method is the pulse method, which is mainly used to control the servo motor. The RNR motion control card does not support this mode.
40
Step 40
Spindle Control in Relay Mode The relay mode, the spindle motor drive signal output terminal using two relay switches on or off to achieve reversing the spindle motor. Suppose we need the signal output terminal OUT1 to drive the motor forward rotation relay and the signal output terminal OUT2 to drive the motor reversal relay. In Mach3, select the menu [Config], select [Ports and Pins], and select the [Spindle Setup] in the popup dialog page. In (Relay Control) box, ensure that (disabled Spindle relays) is not checked; in [clockwise output # (Clockwise Output)] Fill "1"; counterclockwise in [ Output # (CCW Output) and fill in "2". Press [OK] button to save the settings. The user can connect the indicator OUT1 and OUT2 (refer to the previous section) for debugging. When the program "M3" is executed, OUT1 output signal will be seen; when the program "M4" is executed, the OUT2 output signal will be seen; when the program "M5" is executed, the OUT1 and OUT2 are turned off. Use the MDI page to enter the M3, M4 and M5 codes.
41
Step 41
PWM Mode Suppose we need to output PWM (pulse width modulation) signal on terminal OUT3 to drive the spindle motor power supply relay, motor speed adjustment is achieved. In Mach3: Select [Config], select [Ports and Pins], and select [Spindle Setup] page in the popup dialog box. In the Motor Control box, check Use Spindle Motor Output and select PWM Control. [Use spindle motor output] is checked, Mach3 will automatically enable the spindle motor output pin. Click OK when the pop-up happens that will say "Spindle Motor has now been enabled. Ensure you set its pinouts.
42
Step 42
Next, select the Motor Outputs tab. At the line where [Signal] is [Spindle], check [Enable], modify [Step Port] to "3", modify [Step Pin#] to "3", and specify OUT3 as Is the output terminal of the PWM. Press [OK] button to save. Connect the indicator (refer to the previous section) to OUT3 for debugging. When the program "M3"executed is, OUT3 output signal can be seen
43
Step 43
In Mach3's [Program Run] page, click on the green [Spindle Speed] bar in [and change the value of [SRO%] to be less than [100%]. In this case, it can be observed OUT3 external indicator starts blinking in the diagnostics page (PWM output signal).
44
Step 44
The Output of Other Signals The signal terminal can be assigned to output pins OUT1..OUT4 in Mach3 from the script and can be manipulated in Mach3. For example, we need to assign OUT4 to Mach3's [OUTPUT#1]. Setting method: Select [Config], select [Ports and Pins], and select [in the popup dialog box Output Signals] page. Find the line where [Signal] is [Output #1], check [Enable], modify [Port #] to "3", and modify [Pin Number] to "4". When the changes are made, click OK to save.

Questions & Answers

Have a Question?

Ask a Question
  • Will Mach 3 usb controller also control backlash using the normal inputs?

    No, this controller will not provide a digital solution for backlash compensation. Backlash should always be resolved through mechanical means. In my experience using backlash compensation with software like Mach3, the results are quite aberrant. 

  • I have your board and finally have it running but trying to use a couple extra out signals and cannot figure out the port and pin number for each out. I would like to see a list of all the port and pin numbers for all the inputs and outputs. They no longer correspond to the Mach 3 original parallel port and pin numbers. I have been looking at all your videos and the many pinout images which you used but I have not found an actual list that I can work with

    There is a video on using the outputs on this page. One missing piece of information left out of the video is that the output must specify port 3  in the outputs tab under config -> ports & pins. The output number will then be used in the spindle setup tab in the same dialog box. Make sure to uncheck "Disable Spindle Relays" and specify the output number in the Clockwise (M3) and CCW (M4). Alternatively, you can specify outputs of your choosing to M7 and M8 as well, if you need fast switching of outputs as the M3 and M4 will have a dwell and both cannot be used at the same time (Clockwise cannot happen simultaneously with counterclockwise as this would not make any sense for a rotating cutter, like a spindle). 

  • i motori girano molto molto piano

    Nella configurazione del motore, aumentare la velocità e/o l'accelerazione. Potrebbe anche essere necessario calibrare l'asse impostando il valore "passi per unità" in modo che rifletta il movimento effettivo dell'asse. È possibile utilizzare la procedura guidata "Imposta passi per unità" nella scheda delle impostazioni di Mach3.


    In motor tuning, increase the velocity and or acceleration. You may also need to calibrate the axis by setting the "steps per unit" to reflect the real world movement of the axis. You can use the "set steps per unit" wizard under that setings tab in Mach3.

  • Hi, Basic question as I have been away from cnc for a few years and only familiar with printer port interface I am building a new cnc engraver my thoughts are using DM542T drivers with your Mach3 usb board so I can run the software from a laptop or PC I have been told by stepperonline that this is not possible and I would need to buy closed loop drivers?? can you tell me if the DM542T will run happily with your mach3usb board and all run by a usb pc/laptop? please help hal

    Stepperonline is incorrect in their statement. The Mach3 USB controller can output step and direction signals which can be received by drives of open or closed loop. Most of the CNC electronics I have assembled use open loop drivers like the DM542T.

  • I am 72 years old retired naval architect and mechanic engineer who are CNC fan for decades. My today new hobby is to do leather staff. So my new toy is a fantastic industrial arm type sewing machine, Nagoya brand. As I am not expert in sewing, I can't stop and restart in an exact spot to change sewing direction when I need it, so I already changed the factory machine electric motor to a stepper motor instead, which is driving the machine through a synchronous pullies and belt which are working perfectly and controlled by MACH3. Now I need to improve this modification by installing a "third hand" to leave my two hands free to assist the actual sewing. ¿What will be your wiring suggestion if I want to install a pedal to solve?, ¿Can the pedal be connected as a limit switch?, I did not try this idea yet. If the pedal can´t be as limit switch, ¿what will be the right solution?, many thanks for your appreciate support. It is very important to let you know that I am using your Mach3 USB Interface Board for many years successfully.

    If I understand your question, you want to stop the machine in the middle of a full jog (stepping in the middle of a running gcode). In Mach3, that is called a feed hold. It doesn't appear that feed hold has its own input, but there are OEM triggers in the inputs tab of ports and pins, which may be able to be used, but since I have never attempted this, I'm not sure if it can be done.

  • Am I able to use a thc with this controller? If so, which #pin?

    THC (Torch Height Controller) is not compatible with this controller. I would recommend using the pokeys57CNC controller.

  • Can you tell me the correct way to wire tool probe on your Mach3 USB board?

    Please not using output 3 & 4 Termials on board as manual states dose not work! Additional Information:

  • What is the footprint size of the Blacktooth laser machine?

    The footprint of the blackTooth laser machine is: Length: 37"/ 939.8mm Width: 33"-3/4"/ 857.25mm Height: 11"-1/8"/ 282.575mm The height will change with the doors that open to retrieve your material/project the highest point will be 28"-1/4"/ 717.55mm Additional Information: what is the maximum cutting depth of the blacktooth laser on plywood

  • I am designing/building a cnc plasma cutter and I would like some info on some of your parts. Would it be possible to get dimension and/or drawings (or models) of the #40 drive and idle sprockets?

    The dimensions for the #40 drive sprockets will be 1.835" radius tooth to tooth , .575" from teeth to teeth, 0.600" / 3/5 ID, 1.249" OD. Now the idler sprocket dimensions (same format): Radius ttt: 2.963" Fttt: 0.535" ID: 0.600" / 3/5 OD: 0.825"

  • I would like to make my own custom length XL belt and would like to know what to use to join ends?

    There is no current solution to bond the ends of a timing belt as this would cause a weak link in the belt. If you know that the part of the belt that is held together will not be pass around the pulley, then you can mechanically bond this part of the belt. Otherwise, it would be best to design the axis of your machine's mechanical system so that the timing belt is pinned at both ends.

  • I would like to know what the lowest rpm that can be acheived with the 2.2kw spindle and inverter and still have enough torque to drill

    According to the supplier of the 2.2 kW spindle, the safest operating speed for the spindle is 6000 RPM. The supplier also stated that theoretically, the spindle can operate from 0 to 24,000 RPM. I am continuing a dialog with the supplier to delve deeper into understanding the configurations and ramifications of such configurations for operations outside of the safe boundaries into the "theoretical" ranges. Additional Information: 20

  • I want to change my old DSP controller and break out board with new one in your site that support usb it is possible ? if yes can we contact us to talking about details ?

    We could not guarantee, nor say, whether or not your current software would be able to utilize the USB breakout board. Our USB breakout board is designed for use with Planet CNC software found here, http://www.planet-cnc.com/index.php?page=software As far as we know, this is the only CNC Controller software that operates on a USB breakout controller. Additional Information: Additional Information: Additional Information:

  • I trying to setup your USB Controller card. The planetcnc does not load the card, no driver for usb card. Using windows 8.1.

    To install the USB breakout board, there will be no driver to install nor any pop-up will be viewed in your windows task-bar, except only to notify that a USB device has been connected. If you have planet-cnc installed it should automatically ask for a license number, which if you don't have you will continue without entering any numbers. Please read carefully since there is a pop-up that can erase the entire firmware on your board, and you will basically have a dead board. Please email customerservice@buildyourcnc.com for further assitance. Additional Information: For Windows 8.1 you need to follow special driver installation steps. Download Planet-cnc software MANUAL and scroll down to that paragraph (without it you will not be able to install and use your board).

  • I purchased the Mach3 USB controller, however when I ran the test procedure, I get no response from the board, however the light comes on but does not flash when I Press the arrow keys, and measurements with the multimeter shows no voltage on the output connections. the meter shows 24 volts on the 24 volt connection across 24v and DCM. I believe the board is corrupt.

    Does the board's light come on at all? Did you try only connecting the controller to the USB, without the 24V connected to see if the board is functioning? Thanks Additional Information: Hi Patrick, Larry Here, I'm still having the same problem with the new board. When I plug the usb cable in the board, I get the flashing light but when I measure the voltage on the output pins I get no voltage at all. Mach3 says that the pins, 1 thru 4 are enabled and the output is enabled on all the pins just the way I set them, but no joy.

  • I purchased a USB Breakout board, motors and drivers, paid for CNC USB Controller Software and I CAN NOT "Slave" an axis, but there is an option to do that. The moment I connect USB Breakout Board "Slave" option becomes shaded and I can no longer select it (becomes not functional). What is going on? Need help asap. Thanks

    I would not recommend slaving an axis using the method of taking an additional axis from the USB interface. Instead, wire both drivers to a single axis on the USB interface. This will insure perfect signal output to both drivers. If you requre the motors to spin in opposite directions, simply wire one of the motors to the driver reversing the coil A and B connections, or use a hex inverter (https://www.buildyourcnc.com/tutorials/Tutorial-Two-Motors-Spinning-Oppositely-On-Single-Axis).

  • I ordered the Mach 3 usb controller board on the 1st and I have not received an order conformation or shipping confirmation. My account was charged however.

    The most likely issue here is that your email did not save in our system. Please email us to determine your shipping status and tracking number at customerservice@buildyourcnc.com

  • I need wiring diagram for motor to driver to usb motion card. I cannot find diagram. I have been unable to get information for a week.

    You can find the wiring diagram for the Mach3 USB card on its product page here: https://www.buildyourcnc.com/item/electronicsAndMotors-electronic-component-breakout-Mach3-USB-Board Here is a direct link to the diagram: https://www.buildyourcnc.com/Documents/Electric%20Wiring%20Diagram.pdf

  • I need to find a connector(s) to wire a pushbutton array to the USB board I purchased. Do you sell such a connector. Can you tell me what to look for?/What such a connector is called?

    We are working on a keypad that will connect to the USB interface. It is possible to create a quick keypad using perf-board and some push buttons. All you need to do is connect one side of the switch to the pin of the axis and direction and the other side of the push button to the 5v pin. The datasheet shows the pinout of the jog connector. Additional Information: I had found the pins to wire in a job connector. My question is, what sort of connector do I look for (on Amazon for example) that will work for each 2 pin pair? I suspect they are the same as the connector for power and reset on my computer's motherboard, but I have no idea what to look for (what to buy). thanks. Additional Information: 20

  • I have your USB controller sitting here and want to control it with something other than PlanetCNC control software?

    The USB controller will only work with the Planet-CNC software. This software is well made and will provide great functionality. The planet-cnc software delivers instructions to the microcontroller on the board and the microcontroller will send out the pulse trains needed to move the machine correctly. There are two main alternatives if you want to use the mach3 software: First, get a parallel port card and add it to your computer and get a parallel breakout board. If you have a laptop/notebook computer, this will not be possible. Second, if you have a laptop, or really want to use the USB as the main interface for controlling the machine, you will need to get the smoothstepper board which works with mach3. The price combination is much higher than the USB controller with planet-cnc, but will work with Mach3. Additional Information: Additional Information: Additional Information: The planet cnc controller can be prone to electrical interference and has been known to cause such problems. In the first instance try to use a quality double sheilded USB cable, hopefully this will fix your problem. Alternatively you may need to sheild your limit switch, estop and or motor cabling. My pick is that a quality USB cable will fix it though, worked for me.

  • I have your Mach3 usb interface board and am interested in the relay board to turn plasma torch on/off. I have a different relay board that doesn't work, it needs 0/5v from output pin to trigger and the usb board doesn't put out 5 volts. Does this relay board need 5v on output or will work fine with this usb controller?

    The Mach3 USB interface board requires 24V relays externally. There are no relays on the mach3 usb board. If you use an external relay on the mach3 usb board, the relay connects to the V+ which is 24V and the output pin is the return. Additional Information: I understand what you are saying. Does your relay board work with the Mach3 USB board? If not, what relay board do you suggest to work with this usb controller? Additional Information: Our relay board works with our parallel breakout board. An off the shelf SSR (Solid State Relay) made for 24V should work fine.

  • I have the older discontinued USB breakout board. The y-axis no longer works and have traced it to the breakout board. Is there a replacement board that can use the same Planet CNC software running on Windows 10?

    No, we have gotten away from the planet-cnc boards as they have decided to not support our board with their software. You can use the Mach3 USB board as an alternative. You will be better off with Mach3 as a control software as this is widely used and supported. Mach3 USB board: https://www.buildyourcnc.com/item/electronicsAndMotors-electronic-component-breakout-Mach3-USB-Board

  • I have the mach 3 USB board running a XYZ router, and a Z touch off (button style @ fixed position). I am wondering if there's a way to also use an X,Y plate that will only be responsible for corner finding. Is the digitize input the only input that can be used for a touch plate?

    Yes, you can use a corner plate very easily. You will want to make a corner plate that has three independent plates that do not conduct with each other. Each of these plates will be connected to a different input (i.e. IN1 for X, IN2 for Y and IN3 for Z). The end mill or tool that is inserted into the spindle will connect to V- of the 24V power supply, or the DCM on the controller, which is connected to the 24V V-. Then, you can use the ref all home button on the program run screen of Mach3.

  • I have not used my CNC router (Mach3, USB interface board) for several months. When I tried to use it, all 3 stepper motors moved extremely slowly. Where should I start troubleshooting?

    If your motors turn very slowly using your Mach3 USB board, then either the pulse from the board is being output at a slow rate or the motor drivers are set to a higher than expected microstepping: The Mach3 USB board outputs the pulse rather than the computer, but Mach3 controls this pulse frequency within the motor tuning section. First, determine if the travel distance is correct with the computer and the physical travel of the machine. If the travel is different, then your stepper motor driver's microstepping is incorrect, or the steps per inch/mm in the motor tuning within Mach3 is incorrect. If the travel is correct, then simply change the velocity and acceleration parameters to your desired level. If Mach3 will not achieve the velocity you desire, then decrease your stepper motor driver's microstepping setting, readjust the step per inch/mm in mach3 and readjust the acceleration and velocity to your desired levels. Additional Information: Text is engraved in mirror image

  • I have nearly completed the CNC machine from the book, but I am using it with a USB breakout board, and have no idea how to wire the 6 limit switches to the board. I'm having difficulty following the diagram on the USB breakout board screen. Can someone please help me?

    Sure, the USB interface has a place for 4 axes of limit switches. Each axis can have two limit switches: one for the ++ (positive) end and one for the -- (negative) end. The positive end would be the limit switch at the end of the machine that, say the machine has a 4'x8' area, reaches a bit after the 8 foot mark. The negative end would be the limit switch behind the 0 foot location behind the origin. If the origin is in the middle, the negative would be at a little more than the -4 foot end and the positive would be at a bit more than the +4 foot end. Note that you can have more than one switch on each pin where the NC is connected in serial fashion and the NO is connected in parallel fashion (this can be seen on the diagram in the multiple limits switch section). The software configurations for the limits switches are under File -> Settings -> Limit. A typical limit switch has three connections on it. These connections consist of COM (common), NC (normally closed) and NO (normally open). The COM would generally go to GND and the NC or the NO would go to the pin. If the NC is used, then the the switch is constantly connected until the switch is pushed (engaged) then the connection from the pin to gnd is broken (open). Use the settings in software to set whether in NC or NO configuration. Let me know if this information was helpful (or not) by adding information to this question. Thanks. User response: Thank you very much for this helpful information. I'm still a little fuzzy on how the 6 limit switches physically connect to each other and to the USB breakout board. You've stated one switch (home) goes to positive and another switch (limit) goes to negative. Are all the GND prongs from all 6 switches connected to each other and going to GND on the breakout board, or no? And the NC prongs, how exactly are they connected to each other? And to the board? There has to be a diagram somewhere shows this visually, no? I don't know how to wire the switches in series or in parallel. I have already physically installed all the switches on the machine and ran the wires to where the board is. Now I just need to know where to plug these wires into the board. Also, taking into consideration that I'm using the Planet CNC software, the only settings I have pertaining to limit switches is "Enable/Disable" for each axis, and the actual limit for each axis. Nothing about NC or NO. Is that only in Mach3? Thank you. buildyourcnc response: On the USB interface, the COM on the switch connects to GND and the NC or NO connects to the input pin (i.e. x++, y--, etc.) Limit switch configuration is rather difficult to understand, especially with series and parallel. You can think of series as a single wire going from GND to the axis letter input terminal (i.e. X++ or X--). If the wire is broken, then the circuit is open (or the switch is engaged in a normally closed scenario). Normally closed is like an actual wire, and when engaged, the switch "opens" (breaks the wire). This is why we recommend in some systems that you can put many switches in series on a single pin. When one of the switches is engaged (breaking the connection) then the entire circuit of switches is broken and the machine stops. In a parallel scenario, the state of the circuit is always broken until the one of the switches is engaged and the circuit is then closed or connected. The topology looks like a ladder. All the switches connect to both sides of the ladder and the switches are like the runs of the ladder (the horizontal bars that the feet are placed while climbing). Imagine all of the switches broken in this scenario (normally open). It would be like the ladder could be split in two, but if one of the ladder runs (switches) is closed by engaging it, then that run would connect both sides of the ladder and the two sides of the ladder would have a connection. There is a diagram on the USB page of the various limit switch configurations. If you need more information (visual and/or otherwise), please let us know and we will immediately add that information to benefit everyone.

  • I have all structure and mechical parts of the blacktooth cutter done. However when i wire up the stepper motor to the motor driver. and that to the mach 3 usb controller board, and try to jog the motor, nothing works! I previosuly had the planet cnc breakout board, howrver, that only moved the motors in one direction and i couldnt change it. any help would be apreciated

    Did you install the Mach3 USB plug-in? Make sure that you followed all of the steps and diagrams on the following page: https://www.buildyourcnc.com/item/electronicsAndMotors-electronic-component-breakout-Mach3-USB-Board

  • I have a single axis motion for my table saw fence. Motor, limit switches and e-stop work fine. I now need to add an air solenoid relay but I cannot get the outputs to work. I have 24v supply connected and tried using the Spindle output on pin 1. But using a multimeter, there is no voltage on the Output 1 terminal.

    Make sure that the port setting for that output is set to port 3. To do this in Mach3, click config -> Ports & Pins -> click the outputs tab and in the list of outputs, select the output you want to use and set the port to 3.

  • I have a MK1 board that I just got running and I am having issues. Do you have an MK1 board at your shop that I can send you my G-Code to run? The freexing/zeroing in the middle of the program issue happens even with no step drives attached to the board.

    My apologies for not getting back to you. We always answer the phones during business hours, so I would try that first. Our emails on Monday generally is stacked up as we are closed during the weekend. We can try your g-code here. Please send the g-code to the techsupport@buildyourcnc.com email address and we will test the code to see if it works. By the way, do you get movement on the planet-cnc UI screen? Additional Information: The program starts and runs normal. I have all the correct movement on the mill and the UI screen. Then one of two things happens. It either stops and resets all axis to zero in the middle of the part or it freezes in the middle of the part. When it freezes, it is not moving on the cnc or the UI screen. Sometimes after a freeze it will come up with an 'IO timeout error', but the only way to clear is to unplug USB and start over. I will send my settings and g-code files over tonight. Please be sure to load my settings when running the g-code. No movement of the cnc is necessary as the controller will do these issues without power to any drives and just the USB board connected, on my board at least.

  • I have a "Based on planet-cnc's diy cnc usb controller", I activated the output signal (mist, coolant or spindle) in the planetcnc software but at the output there is no voltage, what can I do to turn on this elements?

    On the Planet-CNC board, the Mist, Spindle and Coolant outputs will require a relay to switch on those devices. Test one of those terminals with a multi-meter (Mist, Coolant, or Spindle). Each of these terminals have a GND next to the terminal for the device. Test the voltage across the GND to the terminal with the arrow that you want to test. Go to the software and click on the device you want to test (mist, coolant or spindle) and note the voltage. If no voltage is output then check under the board to where the terminals are soldered. Re-test the terminals across the solder joints rather than the terminal block wire inputs. If you get a voltage, then there is a problem with the terminal block. If you don't get a voltage, then the board is not functioning properly. Additional Information: I activated the output signal.. I did the tests indicated and I did not get voltage. I heated the welds of the three outputs and now works coolant but no mist or spindle, what should I do? Additional Information: There are probably cold joints on the board at the chip or the resistors on the traces for those terminals. You can send the board back to us and we will repair and test the board. Additional Information: If you want to troubleshoot this yourself, take a very close look at the traces from the terminal and follow them to the tiny resistors, then to the legs of the chip. If you see any bad or bridged solder joints, then those will need to be re-touched. It will take a somewhat experienced soldering individual to accomplish this task and will require flux to make sure the solder joints are fully joined.

  • I have a "Based on planet-cnc's diy cnc usb controller", I activated the output signal (mist, coolant or spindle) in the planetcnc software but at the output there is no voltage, what can I do to turn on this elements?

    On the Planet-CNC board, the Mist, Spindle and Coolant outputs will require a relay to switch on those devices. Test one of those terminals with a multi-meter (Mist, Coolant, or Spindle). Each of these terminals have a GND next to the terminal for the device. Test the voltage across the GND to the terminal with the arrow that you want to test. Go to the software and click on the device you want to test (mist, coolant or spindle) and note the voltage. If no voltage is output then check under the board to where the terminals are soldered. Re-test the terminals across the solder joints rather than the terminal block wire inputs. If you get a voltage, then there is a problem with the terminal block. If you don't get a voltage, then the board is not functioning properly. Additional Information: I activated the output signal.. I did the tests indicated and I did not get voltage. I heated the welds of the three outputs and now works coolant but no mist or spindle, what should I do? Additional Information: There are probably cold joints on the board at the chip or the resistors on the traces for those terminals. You can send the board back to us and we will repair and test the board.

  • I have a "Based on planet-cnc's diy cnc usb controller", how I can connect a signal to turn on a mist?

    If you need to control mist, coolant or spindle using the USB Planet-cnc controller, you will need to connect that specific output terminal to an SSR (Solid State Relay). The solid state relay will act as a switch when the output signal is engaged. Additional Information: I did it, I activated the output signal in the planetcnc software but at the output there is no voltage

  • I had to wipe my computer due to virus and now can not download the USB software again. I get a "unhandled exception" error message. Any suggestions?

    An unhandled exception generally means that, in the program code, the program is not checking against every possible exception that could occur. Most likely, this exception is caused by some limit that is being exceeded (or the other way around). I would remove any files that could be associated with the program, like setting files, or even register configurations associated with that software. Also, make sure that you completely update your version of windows. Check to make sure all of the drivers are current for your graphics hardware. Make sure that your graphics hardware works in other programs as well. If you upgraded the Windows version, check to make sure your graphics hardware is compatible with the new version of Windows. Unhandled exception issue may be associated with graphics hardware and compatibility. Customer Response: I've given up on the wiped laptop and loaded the program on a different computer using windows 8. At first it won't operate my CNC until I read on Planet-CNC forum about loading the drivers on windows 8. All working now. Will run through the calibrations again today. Thanks

  • I decided to connect 5v directly to my usb breakout board, but when I plug the usb cable in, the planetcnc app does not recognize it and the green status light does not come on. I've confirmed that it is getting exactly 5v, and the jumper is removed.

    We apologize for this issue, we had a mistake with the labeling on the board! If you reverse the GND, and the 5V on the Alt-power the power will work and the board will be recognized by Planet-CNC. Once again we apologize for this issue! User response: Thanks - glad it is an easy fix! You guys should update the docs - perhaps on the item description for the future confused. Buildyourcnc Team: We updated the product page to reflect this error. Many thanks! Response: FYI - to anyone who reads this - reversing the polarity on the 5v alt power will indeed damage the board, though not immediately.

  • I connected my intrface board as per the diagram but I don't get a blinking light. I get a solid red light. What could cause this?

    The solid red light is a condition where the Mach3 USB controller is successfully connected to the computer and is communicating to Mach3.

  • I connected my intrface board as per the diagram but I don't get a blinking light. I get a solid red light. What could cause this?

    The Mach3 USB controller will light a solid red light when the controller is properly connected to the computer, and mach3 is in the ready mode (reset pressed to engage the machine). When an arrow key is pressed to move an axis, the red LED will blink rapidly showing there is communication to the controller. If it does not blink rapidly, then check the motor output and confirm that the axes are enabled. Also, confirm you are in jog mode (located in the program run tab). You can also try using the built-in MPG by pressing the TAB key and clicking on the axis letters to move the axes.

  • I connected 5Vdc power to the alternet connector of the USB Breakoutboard with the proper jumper setting and the board fried. What did I do wrong?

    Can you test the output of the 5V DC adapter to check the output voltage? Additional Information: The 5VDC voltage was generated by a PC ATX power supply and was measured (5.0VDC) just before connecting it to the controller PCB. I also verified polarity prior to powering up. Additional Information: Please call us to initiate a replacement of the USB interface. We would also like the existing USB interface to be return so that we can investigate the cause of this failure. Additional Information: Additional Information: Additional Information:

  • I can't get the Mach3 USB interface to work

    Please follow the steps on the following webpage: https://www.buildyourcnc.com/item/electronicsAndMotors-electronic-component-breakout-Mach3-USB-Board Additional Information: Mach3 interface board not connected Additional Information: Mach3 interface board not connected Additional Information: Mach3 interface board not connected Additional Information: Mach3 interface board not connected Additional Information: Mach3 interface board not connected Additional Information: Mach3 interface board not connected

  • I can not get my limit switches to work properly on my Mach3 USB controller. I know I have it wired correctly. I can not reset mach3 by either the reset button or the squealy line button below the exap button without unplugging the 24 volt power supply. I have watched the youtube videos at least 20 times and verified and triple verified the wiring. I can send photos to an email address.

    Make sure the input port is set to port 3. Additional Information: Make sure the input port is set to port 3. Additional Information: Make sure the input port is set to port 3.

  • I am using USB breakout board with planet-cnc software. When I enable jogging keyboard x axis starts to move by itself (whether keyboard connected of not). When I press stop - it stops for a moment and then starts to move again. What could that be? Tried to reinstall software - did not help.

    It seems to be getting some kind of interference or a short within the wiring or communication, try jogging the motors in the software without anything wired to the board. Then add one motor at a time to see if there is a short within your wiring or a faulty driver/motor. If the USB breakout board continues to move the x-axis with no motors or driver wired to it, please email customerservice@buildyourcnc.com for a replacement or further troubleshooting.

  • I am making my own CNC setup using all the electronics from your website and I have many questions. Please advise how to have my computer recognize the USB connection from my breakout board also I would like to use a water cooled spindle but I need to know the parts required for a 4x10 bed area used for woods and plastics

    You will need PlanetCNC software for the USB breakout board and when plugging in the USB the computer should automatically recognize the board, however you can go into device manager to see if the USB terminal is working correctly. The parallel breakout board; the USB is not a connection terminal rather than a power source, and the parallel port will be the communication terminal. The items you will need for a water cooled spindle would be: water pump, silicon tubing(length desired by customer), a extension cord(from a hardware store(orange))(1 same gauge wire/length as extension cord).

  • I am interested in using the Mach3 USB interface board. I was wondering if there was a way to run a torch height controller with this board for use with a plasma cutter, and if so do you know of any THCs that will work. Thank you.

    Yes, you can connect a THC, Torch Height Controller, with the Mach3 USB controller. The THC uses the inputs to determine if the z axis needs to move up or down according to the arc of the plasma torch. The THC connects its outputs to the inputs of the controller so the controller will be informed of the states of the plasma torch.

  • I am interested in the 3 axis combo USB option. I notice you endorse the Planet-CNC for use with this but will Mach3 interface well with the USB beak out Board?

    Our MAch3 USB interface boards can be located here: https://www.buildyourcnc.com/item/electronicsAndMotors-electronic-component-breakout-Mach3-USB-Board

  • I am converting from a Parallel Port to the Mach3 USB. My limit switches can accomodate up to 5VDC and I want to Drive a Relay from one of the outputs. Will my switches work and do I need a 24VDC Relay?

    Yes, the best way to attach a relay to the output of the Mach3 USB board is to use an SSR (Solid State Relay) at the 24 Volt rating. This is the standard supply for this side of the Mach3 USB board.

  • I am building a cnc mill using your USB controller and i would like to know what is the specification of potentiometer used for adjusting manual axis jog speed

    Dealing with our USB BoB, the potentiometer that will be used in the key jog, is a 5V, 5k - 10k Ohm potentiometer.

  • However it how do I get the software to work? PlanetCNC sent me a key that looks like it will only work with a backup control board I purchased from them?

    When you plug the USB controller into the computer using a USB cable, and the planet-cnc software is running, you will be presented with a dialog box that will contain a text box for the key that you received from the planet-cnc folks. Additional Information: Additional Information: Is there any other software that will work with your controller Mach3? Thanks for the help!

  • How to output 0-10V to AVI+AVI-?

    In the motor outputs, the spindle should be set to pin number 3. This is also the output terminal number 3 (O3). In Mach3: Select page in the popup dialog box. In the Motor Control box, check Use Spindle Motor Output and select PWM Control. is checked, Mach3 will automatically enable the spindle motor output pin. Click OK when the pop-up happens that will say "Spindle Motor has now been enabled. Ensure you set its pinouts. Next, select the Motor Outputs tab. At the line where is to "3", modify to "3", and specify O3 as Is the output terminal of the PWM. Press button to save. Connect the indicator (refer to the previous section) to O3 for debugging. When the program "M3"executed is, O3 output signal can be seen. The AVI+ and AVI- corresponds to the ACM and AVI terminals. Additional Information: In the answer setting, 0-24V is output to out3, but not to AVI+/ACOM. Of course, 10V is given to the 10V terminal of the board. Additional Information:

  • how long is the build time for a black toe 2x4 roller chain router and shipping time to ny?

    All of our machines are a week lead time, other than the greenLean which is 2 weeks. Depending where your current location is,shipping will take anywhere from 1 week in the US, 1-5 weeks over seas.

  • How do you zero the z axis using a plate with the planet-cnc software and your USB controller?

    The instructions on how to use a plate for z-axis homing (moveable sensor) can be found here: http://www.planet-cnc.com/faq/moveable_sensor/ Additional Information: Additional Information: Additional Information:

  • How do you wire an mpg to jog incrementally on your usb controllers pins?

    Nevermind, I figured it out. The speed pin is what controls it. I thought the speed pin was for the spindle speed.

  • How do I use the outputs on the Mach3 USB controller?

    I created a video to demonstrate how to use the outputs on the Mach3 USB controller. You can find this video on the following page: https://www.buildyourcnc.com/item/electronicsAndMotors-electronic-component-breakout-Mach3-USB-Board Scroll down to the 5th video on that page. The title of the video is: Mach3 USB Controller Outputs

  • How do i get the USB break out board to communicate with the exceptional Planet-CNC USB software?

    The USB interfaces (The board shown at the link: https://buildyourcnc.com/item/electronicsAndMotors-electronic-component-USB-Controller-Breakout) that we well is already updated with the firmware, and tested with the planet-cnc software. Simply install the planet-cnc software and plug in the USB interface and the software will communicate with the board. Additional Information: Windows 10 was not allowing the planet cnc software to install the proper drivers. Following the windows 8 reccomendations listed on the usb break out board page got the planet cnc and usb break out board communicating.

  • How do I get Homing on Z to work with Plate and Ground using Buildyourcnc usb board all the entries for the sensor in planet-cnc are grayed out. I am using input z- and I purchased the software

    To home the z-axis using a plate: - Connect the end mill using a large clamping device like an alligator clip with a wire connected to GND. - Connect the plate (solder a wire to the plate) to one of the input pins. - You can use the autoset to setup that pin in Mach3 simply by touching the two together once connected to the pin and GND. Alternatively, the end mill can be connected to the pin and the plate connected to GND as long as there becomes a complete circuit when the end mill touches the plate. To setup homing for the Planet-CNC homing and limits, go to the Planet-CNC Machine setup page which explains the process step by step: http://www.planet-cnc.com/faq/machine_setup/ Customer Response: How do I get homing on z to work with planet cnc software using build your own usb board. I have gone to planet website and followed the instructions provided but my software will not allow entries in the required fields they are grayed out is it because I am not using planet-cnc's board, I have used this method for years with Mach3 and would like to use it with the usb board and software. Answer: Just received information from the developer. The instructions on how to use a plate for z-axis homing (moveable sensor) can be found here: http://www.planet-cnc.com/faq/moveable_sensor/

  • how do I control coolant mist using the mach3usb break out board

    You will need a 24V relay controlled by one of the output terminals of the Mach3 USB controller. You can see a video that demonstrates the use of the output pins for this controller and how a relay is connected to the output terminal and the power supply. It is the video that is titled "Mach3 USB Controller Outputs" https://www.buildyourcnc.com/item/electronicsAndMotors-electronic-component-breakout-Mach3-USB-Board

  • How do I connect a Z-Axis touch plate to the Planet-CNC USB interface?

    Semi automatic measuring is possible. 1. Place movable tool sensor (touch plate) on material. 2. Click "Measure Offset Z". Tool will move down, touch sensor and move up. 3. "Measure Offset Z" button is still down. 4. Click "Offset - Current Z" - this will set offset Z 5. Click "Measure Offset Z" again to release it and restore normal mode." The connections to the USB interface is as follows: - The spindle is connected to the gnd terminal (which is also connected to the end mill). Alternatively, you can connect the gnd directly to the end mill is access is permitted. - The touch plate (movable tool sensor) is connected to the Z-- terminal. What will happen: When the end mill (gnd) is in contact with the touch plate (Z--), there will be a connection from gnd to the Z-- triggering this Z-- action and the software will recognize the connection (like a button press, or a limit switch triggering). Additional Information: Additional Information:

  • how connect inverter to usbcard

    We will answer your question but need more specifics as to what you are referring to. Please add additional information and we will respond. Additional Information: Additional Information: Hi, i'm in France, I have an usb breakoutboard from you and a red fly box A 2,2 spindle with the correct inverter. I just wan't to know if it's possible to drive the spindle from Mach 3,and if it is, how connect the usb card to the inverter which is connected to the spindle. Do I need another driver or any interface card? Additional Information: Additional Information: Sorry, I mean with planet cnc not mach3

  • How can I to connect a signal to turn on a mist in a USB board? Thank you

    You will need a 24V relay to control mist using the Mach3 USB breakout board. The wiring diagram (link below) will show one of the output terminals (O1, O2, O3 or O4) connected to one of the leads of the relay. The other lead is connected to the V+ to complete the circuit. The other part of the relay is used as a switch to control the mist on/off. Wiring diagram: https://www.buildyourcnc.com/Documents/Electric%20Wiring%20Diagram.pdf Mach3 USB Breakout Board for CNC Routers: https://buildyourcnc.com/item/electronicsAndMotors-electronic-component-breakout-Mach3-USB-Board

  • Hi. I have just purchared this board and will be using a 3d touch probe. The probe has 3 wires, 24v+, 24v- and a signal wire to the pin 4 (I think). The way I see it is that the probe is NO and the signal wire when activated will send a 24v+ signal to pin 4 (active low NOT ticked) activating the board. Would I be right in this understanding? Much apreciated.

    I am assuming that you are referring to the Mach3 USB controller. Your understanding seems mostly correct, but it's important to clarify a few points regarding the 3D touch probe and the Mach3 USB Interface Board. The probe has three wires: 24V+, 24V-, and a signal wire. Here's how it typically works: 24V+ and 24V- Wires: These are for powering the probe. Make sure they are connected to the appropriate power supply. Signal Wire: This wire sends the signal to the board when the probe is activated. In your case, it seems to be connected to pin 4. Active Low Setting: If the probe is Normally Open (NO), when activated (i.e., when it touches the surface), it will complete the circuit. If you're using "active low NOT ticked," this means the board will interpret an open circuit (no contact) as an active signal. When the probe touches a surface and closes the circuit, the signal will stop. It's crucial to ensure that the probe's voltage specifications match what the Mach3 USB Interface Board can handle. Since the board's inputs might not be designed for a 24V signal, using a voltage divider or an appropriate interface circuit to step down the voltage to a safe level for the board might be necessary.

  • Hi, What wire goes to input 3 for home limit and do I have to change anything in Mach3??

    Please provide more information about how you have the limits and home switches connected to the controller. Depending on the configuration of your machine, you may not need anything on input number 3.

  • Hi, I have one of your mach3 controller boards and have followed the tutorial videos but my motor drivers do not have p+ p- d+ d- I only have sted, dir, en and +5v

    Drivers will have terminals with labels that represent a pulse, clock or step, and for direction. Look at the following to determine which terminal is used for what purpose. Step- = CP- = P- Step+ = CP+ = P+ Dir - = CW- = D- Dir+ = CW+ = D+

  • Hi, I have watched your vids on YouTube and I am interested in purchasing one of your USB Break-Out Boards. I currently own and use FlashCut CNC software, which is USB based, on all of my machines. I'm wondering if you could tell if the Flashcut software will talk with the USB Break-Out Board? Thank You

    Currently our USB breakout board is only compatible with Planet-CNC software as it has to be registered with Planet-CNC.

  • Hi there. I am looking upgrading the electronics on my 8x4 machine. Do you do your pre wired kits without the motors?

    Yes, we can provide a pre-wired electronics listed on this page: https://www.buildyourcnc.com/AssembledElectronics.aspx If you require these without the motors, please give us a call so your motors can be wired correctly and you can purchase the system without the motors. Currently, the office is closed due to flooding in the area, but we plan to re-open very shortly.

  • Hi Patrick right now I have a parallel port cnc machine that I built in 2013 using the hardware and components I purchased from your website. I want to update my system by changing my current parallel port interface board to a Mach3 USB interface board from your website. Is the Mach3 USB interface board all I need to do this or is there other components I need to get. please advise.

    The Mach3 USB interface board will require a 24V power supply to enable the use of the input, output terminals, and the spindle VFD 0-10V and output for speed control.

  • Hi I recently replaced my parallel port breakout bored with a USB breakout board, Motors Earl working properly but my wireless MPG is not working properly, it is jerky when to try to move across the table, is there a setting that I missed?

    Does the machine move smoothly when using the keyboard to jog the machine? Additional Information: Sorry it took so long to respond. Yes the table moves very smoothly using the keyboard. I try to reinstall of the drivers but it still moves very jerky with the MPG, sometimes moving back-and-forth. Additional Information: Sorry it took so long to respond. Yes the table moves very smoothly using the keyboard. I try to reinstall of the drivers but it still moves very jerky with the MPG, sometimes moving back-and-forth.

  • Hi I have just set up my machine using a mach 3 USB board I can only get the Z to go in one direction Y and X are Ok I have check wiring and looked at video over and over what have I missed??

    Most likely, the driver is not receiving the high or low signal for the direction terminals. The way direction works for an axis is the controller will output a high signal (5V) for one direction and low signal (0V) for the opposite direction. If the signal is always at one signal, say 5V, whether it is commanded in one direction or the other, then the axis will only move in that direction. To solve this problem, make sure that the wiring is secure at both ends (from the controller to the driver). Also, make sure the Dir+ and DIR- are both wired correctly (i.e. the Dir- is connected to the signal gnd on the controller and the ZD is connected to Dir+ on the driver. You can use a multimeter to determine the voltage at the ZD terminal by: - setting the multimeter to DC voltage (the V with a straight line, or dashed line above the V) - place the black lead on the gnd terminal - place the red lead on the ZD terminal - press the page up button and check the voltage - press the page down button and check the voltage. You should see the voltage change from 0V to 5V or vice versa.

  • Hi I am trying to activate Mach3 USB Controller Output Terminals to activate a plasma from a output relay. I have looked at the video and applied 24VDC to 24v and dcm and measured from 24v and out1 and get no voltage when activating torch on mach3. The output 1 or 2 does not work.

    Take a look at these two videos that I created today on Instagram on the proper wiring of a relay to the Mach3 USB controller. https://www.instagram.com/tv/CMYGGBtj3cq/?utm_source=ig_web_copy_link https://www.instagram.com/tv/CMYLvq9DXVK/?utm_source=ig_web_copy_link Don't forget to watch the initial video on the Mach3 USB outputs on the Mach3 USB product page (last video on that page): https://www.buildyourcnc.com/item/electronicsAndMotors-electronic-component-breakout-Mach3-USB-Board

  • hey, where can i see the steps how can i control 3 or 4 step motor? can i use the Axis Electronics Combo? or i need to connect controller?

    Controlling a 3-axis or 4-axis motor configuration, you will need the following items drivers/motors/controller. Our electronics combo comes with the items mentioned and with power supply/miscellaneous items. The only other item needed will be a computer (with controller software) to communicate and view controls of your motors. Using the Parallel breakout board will use Mach 3 software, and USB will use Planet-CNC software. Additional Information: You can use this link to see the videos on how to connect the electronics together and make them work: https://www.buildyourcnc.com/tutorials/tutorial-Electronics-USB-Interface-Wiring

  • Hey Patrick, could you get me the set screw size for the Y drive pulley on the VLXL?

    The drive pulley we use on the VLXL is here: https://www.buildyourcnc.com/item/mechanical-Drive-Pulley-!2-pitch-15-teeth-XL since it doesn't show the set screw size, I will need to answer this question (and update the description of that part) first thing tomorrow morning. Additional Information: The set screw size for the 14 teeth 0.2 inch pitch XL drive pulley is an M4 size 0.7mm pitch screw. Additional Information: Thank you, Patrick! Additional Information: You're welcome!

  • Hello. I like your vertikal router. Is then router stabil enogh for the need of a Carpenter? Are you using 21mm Plywood or 21mm MDF. What type of spindel (KW) is maximum allowed and whatbis the maximum feed (6mm cutter) in oak. Thank you, Veit

    The greenLean vertical CNC is stable enough to handle large-scale production on a daily basis. We use 3/4" MDO plywood, which is equivalent to about 19mm. The gantry is designed to hold a 2.2kW Spindle, with a maximum of 24,000 RPM.

  • Hello, Can I hook up a Z axis touch plate to the usb controller?

    To use a touch plate on any controller, all you need is a conductive flat material with a known thickness and some wire and alligator clips. Solder a wire to the touch plate and connect the other end of the wire to the free input terminal of the controller. Connect a wire with an alligator clip to the ground of the controller (on the Mach3 USB controller, this ground is the DCM terminal, or the digital gnd on the 24VDC power supply). Connect the alligator clip to the end mill. You can either use a script to serve as the probe, or you can use the ref all home button and setup the touch plate as a home switch. Additional Information: I connect wire to cmd- and to in2. I cant getbit to work, what arecthe corresponding ports and pins to usenin mach3? Please help.

  • Hello, After watching the tutorial to set up my spindle in Mach3, My outputs are not working. Any help would be appreciated. Just Simple on/off.

    I created a video that demonstrates the wiring and Mach3 configuration for the Mach3 USB controller. It is the last video on the following webpage: https://www.buildyourcnc.com/item/electronicsAndMotors-electronic-component-breakout-Mach3-USB-Board If you have a different controller, let me know and I can provide further inforatmion.

  • Hello , Do you have an option to use our FedEx account on overnight service to ship our to B.C. Canada ?

    Yes, We can overnight packages to Canada using a customer's FedEx account number.

  • Having trouble getting outputs to work. I have followed the video and searching qusrions see that Port 3 has to be enabled and have checked tha. tI have the 24v PS connected to 24V and DCM on the board. Ive enabled the outputs under the spindle configuration.

    Are you using this output with a relay, or without a relay? Additional Information: With a relay. Seems to be only Output 1- relay works fine on 2,3 or 4

  • HAVE CAD FILES (.DWG AND .DWF) FOR THE GUITARS. HOW DO LOAD THEM INTO PLANT CNC SOFTWARE USE?

    You will need a cam program to create machining operations for the geometry in the .dwg file. The CAM program outputs these machining operations into g-code for the control program (planet-cnc) to use. I have a couple of tutorials that explain this concept. http://www.buildyourcnc.com/tutorials/Tutorial-sketchup-fabrication-fabricate-cad-cam-dxf The following is an older video but get's the point across: http://www.buildyourcnc.com/process1.aspx Additional Information:

  • Has anyone at BuildYourCnc ever tested homeing the z axis using a plate and ground clip using their BuildYourCnc usb breakout Board and a registered copy of Planet-Cnc software. If the answer is yes could they provide instruction from BuildYourCnc and not Planet-Cnc as their instruction does not work with BuildYourCnc USB breakout Board.

    Planet-cnc is the best place to get information on setting up the software for the USB interface. We will test the z-axis plate homing method on Monday to be able to provide a more thorough explanation.

  • Great site. I saw your videos of wiring the Mach3 USB controller. You place the drivers next to the Steppers. This means that you have very long leads to the USB Board? What about the placement of the controlling PC? Is it a problem to have the USB board, PSUs and Drivers in a control box and long leads to the steppers? Thank you.

    I also place the controller very close to the drivers (on the back of the gantry). All of the cables are shielded. The only long cables are the mains power cables and the USB cable. The USB cable is shielded and contains active repeaters. There is no problem putting all of the electronics in a box and using long cables to the motors. This is the way I did it for a very long time.

  • Going to purchase a new laptop computer. Question. What is the minimal requirement for laptops running cnc planet software and other softwares that are needed?

    Your purchase of a laptop will depend on what CNC software and CNC interface you will be using. In most cases, CNC interfaces use a parallel port, or the interface will convert USB instructions into a form of parallel I/O pins. We provide both types of interfaces, but you will be required to use specific software packages compatible with the interface. The USB interface that we sell at the moment is only compatible with Planet-CNC software (which is very good software), and if the computer has a parallel port, you will have your choice of many software titles including (but not limited to) Mach3 and LinuxCNC. The hardware and processing performance is not as important. Computers with relatively slow processors (i.e. Pentium) can control a CNC machine and achieve good performance. If you intend using CAD and CAM on that computer, then you will want a more modern computer that will have a good amount of memory and processing power. You will need to refer to the software requirements for the minimum specifications.

  • For tuning the motors in mach 3 should I be running a gcode or is keyboard jogging enough to determine the stall rates

    Keyboard jogging will give you a good start at motor tuning since going from a stop to rapid travel speed is the quickest the machine will be required to accelerate. However, best practice is to also run test files and actually cut the type of materials you expect to deal with to test machine performance under load and make any fine adjustments needed for maximum performance.

  • Etowah County Career Technical Center is a public school and would like to order from you. Do you accept credit cards?

    We work with educational institutions and can accept many forms of payment including credit card, purchase order, or cash/check.

  • Does your Planet CNC Software have a Digitizing Wizard like Mach 3?

    Planet CNC is currently based in the UK as a independent company, and has a G-code wizard similar to the digitizing wizard in Mach 3. Although different software, you may download a demo here (http://www.planet-cnc.com/index.php?page=download) (first link).

  • Does USB Controller Breakout support Linux Ubuntu and does the software support command line interface (to control it with python scripts for example)

    The usb controller will only work with the planet-cnc software which is software that will work in Windows.

  • does the uxp breakout broad work with mac 3

    Our USB BoB does not work with Mach 3, and is currently only able to communicate/work through Planet-CNC. Now the Parallel BoB does work with Mach 3, and other OS programs (ex. Aspire, etc) but cannot work with Planet-CNC.

  • Does the USB controller come with driver installation instructions so we could create our own user interface to communicate with the motor?

    You can use a Pickit 2 programming to load firmware onto the usb driver. The USB use a Microchip pic microcontroller. If you can manage writing a program for the Pic microcontroller and have a Pickit 2 firmware uploader (programmer), you should have no problem.

  • Does the usb controller (breakout) come with the needed usb cable?

    No the USB board is a stand alone purchase, you can find the needed USB cable here: https://buildyourcnc.com/item/electronicsAndMotors-cable-wire-USB-2!0-Cable-TypeA-Male-To-TypeB-Male-newbiehack-Cables_and_Wires-USB-2!0-Cable-TypeA-Male-To-TypeB-Male

  • does the usb board replace the parallel?

    The USB interface replaces the parallel breakout board. The USB plugs directly into the computer and the terminals on the USB interface connects to the stepping motor drivers for each axis. There are also limit and homing connections on the USB interface as well. If you do select the USB interface, you will need to use the planet-cnc software.

  • does the mach3 usb controller interface board support the M11/M10 command set

    The Mach3 USB controller will work with M3/M4/M5 or M7/M8/M9 combinations. M10/M11 is not available with the controller.

  • Do you sell a USB driven breakout board for Mach4?

    Our USB CNC machine controller board works with Mach3. We haven't tried, or tested the USB board on Mach4.

  • do you not have a usb controller for planet cnc since yours is discontinued

    Unfortunately not. As much as we like the Planet-CNC software and control, they made a change in their Planet-CNC software that eliminates support for our board.

  • can the handwheel inputs be used for thc

    I have not tried using the handwheel inputs for anything other than for handwheel operation. I haven't had success using a THC with the Mach3 USB controller. The pokeys57CNC controller is a better solution for THC (torch height controller) and plasma cutter use. Here is a link to the okeys57CNC controller: https://buildyourcnc.com/item/electronicsAndMotors-electronic-component-breakout-Mach4-mach3-USB-ethernet-Board

  • Could thi board be used for a plasma cutter with THC?

    I have had no success with this controller paired with a THC (Torch Height Controller) for plasma cutting. I would instead recommend the pokeys57CNC controller and the PlasmaSense and PlasmaSensOut THC controllers. https://www.buildyourcnc.com/item/electronicsAndMotors-electronic-component-breakout-Mach4-mach3-USB-ethernet-Board https://www.buildyourcnc.com/item/electronicsAndMotors-electronic-component-plasma-thc-plasmasenseoutandplasmasense

  • Will this work with Mach4. I,m thinking to upgrade from Mach3.

    The Mach3 USB will not work with Mach4. Consider the Pokeys57CNC controller instead. The Pokeys57CNC controller will work with Mach3 or Mach4 and contains more features than most CNC machines need, including 8 motor outputs, 4 onboard relays, limit home and probe inputs, galvanically isolated outputs, and much more. https://www.buildyourcnc.com/item/electronicsAndMotors-electronic-component-breakout-Mach4-mach3-USB-ethernet-Board

  • Hi can I use a zeroing block with mock three interface board and do you have one I can purchase and directions on how to set up

    Yes, you can use a conductive metal to serve as a zeroing block for the Z axis. All you need to do is connect the block (conductive metal) to one of the 4 inputs on the controller. The end mill must be connected to the DCM terminal (the GND of the 24V power supply) of the controller. In the inputs dialog box (config-ports and pins-inputs). Under the probe line, enter port 3 and the pin used for the block.

  • Mach3 cutting in air above stock

    If you wish to test the cutting of a project, zero the z-axis above the workpiece more than the measurement of the final depth of the cut. Make sure you have enough travel for the clearance passes.

  • I have a 64 bit Windows 11 laptop. Will this interface board work with this? If not is there an option you can suggest.

    Yes, the Mach3 USB controller will work with the latest Windows version and in 64-bit mode. The 32-bit mode is only relevant for using the parallel port driver if you are using a parallel port breakout board. Since this controller is connected via a USB cable, the 64-bit state will work fine. Additional Information: mach3 not showing in device manager

  • Hi, I plug HY 220v spindle on the board. It work, but the is a unstable frequency on the spindle. I put shielded wires from BOB to Inverter, and from Inverter to Spindle. But the problem still there. I read that I have to put a Analogue PWM, is that true, or I have problem with my wires... Thank you

    You may want to try using a ferrite core or an inductor in addition to the shielded cable. Also, make sure you are grounding the shield at both ends. Even though this is not high frequency, grounding the shield at both ends in a motor scenario may help. Also, try to reduce any parallel wire runs.

  • Can it make the spidle control PWM to a VFD witch 5 V input

    In theory, utilizing a 5V reference in the 10V terminal of the Mach3 USB controller should yield functional results, although I haven't personally tested this configuration. If you possess an oscilloscope, you can monitor the PWM signal to verify whether the AVI output achieves a peak 5V PWM square wave.

  • what would we use for the post processor? for vcarve

    The post-processor in Vcarve is the standard mach3 post-processor. Use the one with non-ATC if you don't have an automatic tool changer. Additional Information: Is there a video somewhere showing Mach3 with V-Carve?

  • Is it possible to run board on usb power

    Yes. You don't need to power the board with 24V. The controller will work with only a USB connection to the computer. However, the Input and output terminals (IN1-4 and OUT1-4) will not work without at least 12V on the DCM and 24V terminals.

  • The controller shows up in device manager as a HID. Should it be a com-port?

    Honestly, I have never looked at my device manager to determine what type of connection the MAch3 USB controller shows up as. I simply allow Mach3 to recognize the board via its plugin. Are you trying to use the controller in a non-conventional way? Additional Information: s

  • Buffering. In former days, I used a MS DOS application to do the milling jobs. I was told that Windows sometimes does other jobs ans so my milling job would be ruined. Does this USB board buffer some of the CNC data to circumvent such errors?

    This was true for controllers that use the parallel port to communicate with the CNC as the CPU is sending signals to each of the parallel port pins (GPIO or General Purpose Input/Output). With newer types of controllers that use the USB connection, this is not a problem anymore since all of the signal processing happens on the controller rather than in the computer. The computer only needs to send high-level commands to the controller and the controller translates the simple commands to pulse trains that the drivers can accept. Additional Information: I don't believe that the board itself buffers. MAch3 however, does use an algorithm for look-ahead. Additional Information: Thank you for the information. I plan to use a second SSD with a minimal Windows 10 or 11 system.

  • Hello! When I use turn software then everything works with mpeg mode. When I wanna use step mode and change axis positions with keyboard then x,z positions changes randomly.How I can fix it ?

    Have you tried entering a command in the MDI for that turn axis? What happens when you do?

  • When I run turn software then everything works with mpeg mode. When I use step mode and wanna change x and z axis with keyboard then value change randomly. In one moment it change 0,095 and next time 0,1 and so on.

    Did you try using the MDI and inputting a value for the turn to see if that works?

  • Does this support THC function?

    Unfortunately, all of the attemps I have made to use this controller with a THC did not work, so I would not recommend this board for plasma machines that use a THC. THe Pokeys57CNC controller will work with several THC controllers. I have used the Proma and the PlasmaSens controllers with the Pokeys57CNC.

  • Does this card support THC functions.

    This Mach3 USB controller does not support THC functions. I would recommend using the Pokeys57CNC controller instead. Here is a link to the Pokeys57CNC controller: https://buildyourcnc.com/item/electronicsAndMotors-electronic-component-breakout-Mach4-mach3-USB-ethernet-Board

  • How connect one spindle encoder on this White Eagle Mach3 board ????

    This controller does not have an encoder input for the spindle. The controller can output a PWM signal which causes the spindle VFD to spin at a specific RPM. That RPM is shown in Mach3 as long as the configuration has been applied properly. You can also calibrate the RPM of the spindle to match the RPM shown in Mach3 with the use of a tachometer and adjust the configuration in Mach3.

  • How is the bit-resolution on the PWM output for the spindle control? (8-bit or higher?)

    I am not sure of the resolution for the PWM output for spindle speed control. However, if you are worried about getting the exact speed you need, 8-bit will provide 256 levels of increments. This translates roughly to a change of 94 RPM from one increment to another. Remember to provide some inductance and shielding to the signal lines so you won't get fluctuations in speed.

  • Why is a second PSU necessary for the limit switch and e-stop ?

    Because the USB board is powered by USB (+5VDC) from your PC. Your inputs (eg. limit switches) require up to +36VDC to operate properly.

  • I have my probe conected and have checked continuity but my probe does not show to be working. What else could be wrong?

    Try the probe connected between the input and DCM with just wires connected to those terminals. When you short the two wires, you should see the change in the diagnostic screen. Make sure that the probe configuration is correct: Config -> ports and pins -> inputs tab on the probe line, make sure the pin number matches the IN number on the controller. Make sure that the port number is 3. And finally, make sure the active low is set correctly. Toggle the active low to toggle the normally open and normally closed state of the probe. Additional Information: Nothing changes in the diagnostic screen, however the Digitize led is lit. One wire on in4 the other on DCM. If I were to put a multi-meter to any of the pins would there show any voltage?

  • Can the 24VDC supply used for the interface board be the same supply used for stepper drivers, or do you need separate power supplies? If not, does GND and DCM need to be isolated?

    I would recommend using a separate 24VDC power supply for the controller. The 24VDC that is connected to the controller is used for delicate input signals and output signals that control external devices. To keep interference and possible current and voltage fluctuations at a minimum due to the motor load, a separate power supply would be best.

  • How can I wire/ configure for a plasma cutter without THC? Plasma cutter has a cnc port, where when you short two of the pins, it activates the cutter. Just looking to see how to make that short when pressing f5 in Mach3.

    The THC and the triggering of the plasma are actually two different functions of a controller. To trigger a plasma cutter, you can use one of the outputs of the Mach3 USB controller (out 1, 2, 3, or 4). That output can be connected to a relay that connects to the two wires that will trigger the plasma. This video will show how this is done: https://www.youtube.com/watch?v=Qi4M3DAtTXg Additional Information: 20

  • Is there any information on connecting and setting up a pendant.

    I would recommend using a wireless pendant, like here: https://amzn.to/49nAjkg (Affiliate link) I use this pendant on my machine and works quite well. If you have communication issues from the pendant to the dongle, there may be too much interference surrounding the dongle, and exposing the internal antenna works well. This is something I needed to do.

  • I connected this to 24v power supply and only out3 will show 24v when activated the other 3 read 300+v whether activated or not

    Make sure that the spindle motor output pin is not interfering with the signal. Go to config -> ports and pins -> motor outputs, at the bottom of the table, there will be a line for spindle. Make sure that spindle line item is disabled. Additional Information: I disabled the spindle port and I am still only able to activate port 3 and get 24v and even there when I enter m5 the voltage bounces all over the place. The other outputs read all over the place whether they have been designated as the spindle on the spindle settings tab Additional Information: I tried wiring a relay to each of the outputs and only out3 was able to activate the relay

  • How many Amps can the output handle? My SGR pulls 2.6 Amps so I need to know if the output can handle that much.

    The Mach3 USB Interface Board is designed to handle an output current of 50mA. These outputs are generally not suitable for heavy loads like Spindle Governor Relays (SGRs)??. Given that your SGR pulls 2.6 Amps, it exceeds the capacity of the Mach3 USB Interface Board's output. Therefore, directly switching the SGR using the Mach3 USB Interface Board is not advisable. Instead, using your existing C36 rev1.1 board as an intermediary would be the recommended approach. This board can handle higher currents and will act as a buffer, protecting the Mach3 USB Interface Board from being overwhelmed by the higher current demand of your SGR.

  • Hey friend have problem outups is always high m3 m5 not work

    Check that the port number in the outputs tab for the specific output you are using is set to port 3. Also, make sure you are wiring the output as shown in the outputs video below: https://www.youtube.com/watch?v=Qi4M3DAtTXg

  • Hi, I can see reaction on MPG handwheel encoder and axis switches in rnr controller plugin configurator, but mach3 doesnt react on it anyhow. MPG1 enabled in settings, mpg mode activated. Any advice is highly appreciated.

    Does the machine move when you use the arrow keys in Mach3? Have you ever gotten Mach3 and the machine working without the handwheel? Additional Information: Yes, it does react on arrows.

  • can we use two MPG for two axis independant axis movement

    You can use two MGPs (bare MPGs) to provide independent axis control. The handwheel input on this controller contains discrete inputs for the X, Y, Z, and A axes. These inputs can receive a pulse to move their axis. For instance, you can connect an MPG to the X-axis pin and the wheel will move the X-axis only. Of course, if you have a traditional pendant, you can move any axis independently from only a single wheel with a switch that selects the axis you wish to move.

  • Hallo habe auch das Board die input und output funktionieren ohne Probleme das einzigste was nicht geht sind die Motoren egal was ich mache sie kaufen einfach nicht und werden nur kochend hei�

    Schalten Sie Motoren auf Befehl ein? Wenn die Motoren ohne Bewegung in Position sitzen, wird es hei� und das ist normal. Sie k�nnen die AMP-Einstellung reduzieren, um diese Hitze nach Belieben zu reduzieren.

  • Do I have to use the motion driver and configuration file to use this card? The x,y,a shows that it's moving on display, but the motors aren't moving.

    Yes, the RNRMotion.dll file must be used and put in the plugins folder under the Mach3 folder. The XML file that I link on the Mach3 USB controller page is the file you should start with. This file will have the necessary configuration that links the Mach3 USB controller to the Mach3 control software. You can then make whatever changes you need to this configuration to tailor it to your machine. Do you see a quick flashing red led on the board when you press the arrow keys? Additional Information:

  • Hi, i have this card and sometimes i get missteps randomly. i have turned vfd off completly and its not interferance, i dont know how to replicate it but it seems like disconnecting and reconnecting the usb makes it go away. how can i find the problem? imagine it happening mid cut...

    This could be a lot of things, but here are some things to consider: - Change the USB cable. If the cable is very long, consider using a USB cable with repeaters built-in. - Make sure the missteps are not caused by insufficient power. The stepper motors could be stalling. A way to make sure you are within the safety factor for stepper motor power is to reduce the acceleration and velocity under Mach3's motor tuning. - Although you've ruled out VFD interference, other sources of electromagnetic interference might be present. Try moving cables away from potential sources. If signal wires are close to stepper motor wires, this absolutely will cause problems with steps. I am soon going to do some videos on shielding and problems with crosstalk. - Make sure not to use other programs on the same computer that is used for the CNC while the CNC is in operation. - If possible, try running your setup on another PC to rule out computer-specific issues. - Ensure proper grounding of all components in your CNC system. Additional Information: Thank you for the response, so i have tried different pcs no luck, w10 64 bit on both, the cable is not the problem too, i have found this though, sometimes it runs none stop but still no guarentee what will happen. sometimes the machine completly stops for a second and continues without missteps and sometimes it stops for a milisecond and missteps. Even when probing tool lenght!

  • Everything works in mill, but if I wanna use turn software then there is problems to recognize rnrmotion card.

    Have you tried comparing all of the parameters for the motor outputs? For instance, go into the motor outputs screen in the mill profile, take note of all the parameters. Then open the turn profile, go into the motor outputs and change the parameters from the notes you had in the mill profile. If that works, do the same for the other setting screens.

  • Where can i find a xml file for maxh3turn?

    You can use the mach3turn in the mach3 loader and simply enable the motor outputs. For the inputs and outputs, make sure to use port 3 for the port number and reference the terminal description for the pin number (i.e. IN2 is Pin 2). Don't forget to use the plug RNRMotion.dll in the plugins folder first.

  • How do I get the USB Driver to work with Mach3 Version 1.84

    What problems are you experiencing? Additional Information: Are you able to install a newer version of Mach3? If you are worried that your configuration will be lost, you can save the configuration by copying all of the XML files from the Mach folder. The XML files contain all of the settings that you applied in Mach3. Just in case the XML files are not compatible with the new version, make sure not to erase the current Mach3 that you have on the machine.

  • Hi, I have an old version of MACH3 V1.84 - Can someone tell me where to place the USB motion drive as there is no plugin folder in this version.

    Are you able to install a newer version of Mach3? If you are worried that your configuration will be lost, you can save the configuration by copying all of the XML files from the Mach folder. The XML files contain all of the settings that you applied in Mach3. Just in case the XML files are not compatible with the new version, make sure not to erase the current Mach3 that you have on the machine.

  • I have an older CNC (2018) which has been working fine. The Windows 7 PC crashed and I am trying to get operational again using a windows 10 machine. I will have to buy a new license for the Mach 3 so will need to get the interface board I have to talk to MAch 3. Can I get just the disc or is there a place I can download what I need?

    If you already have a Mach3 license, you don't need to purchase another one. The license is connected to you rather than the computer. Mach4 is licensed to the computer, but you are able to have multiple computers for each license, and can be switched from one computer to another. If you purchased the license from me, you can call (make sure to leave a voicemail), or email to get a re-issued license.

  • Does this board support indexing on mach3 turn? Planning to use it on a lathe and will do threading jobs

    You have the ability to designate the 4th axis, commonly known as the A-axis, for rotary indexing operations when using a Mach3 USB controller. To achieve this in Mach3, you'll need to: Open the Mach3 software. Navigate to "Config" and then to "Ports and Pins." Go to the "Motor Outputs" tab. Enable the A-axis and assign the respective Step and Direction pins. Save your settings and exit the "Ports and Pins" dialog. To calibrate the A-axis, go to "Settings" and use the "Set Steps Per Unit" option.

  • I cannot get the limits to work I�m normally open as you state

    Open the input signals dialog box by clicking on config, then ports and pins, then input signals. For each line item that you use (i.e. x++, y--, etc) make sure the port number is 3. Also, make sure there is a 24v power supply connected to the DCM and 24V terminals. One side of the NO on the limit switch must connect to the DCM, or the power supply V- terminal. Additional Information:

  • Hi, for the manage the limit switches, is it possible to have, for example, the same limit switch for X-- and X homing? And what is the configuration in mach3? In my CNC machine they are in the same position. Thank you

    Absolutely! You can have almost unlimited limit switches and home switches on this controller. It all comes down to the wiring scheme used. I recommend the home switches be on separate input terminals. For example, IN1 would have the X home switch, IN2 would have the Y home switch and, IN3 would have the Z home switch if you plan on using home switches for the Z axis. Adding the limit switches, these can be located on any input you want, even on the IN1, 2 or 3. The wiring scheme I like to use is as follows: - IN1 has the X home, X limit ++, and X Limit -- - IN1 has the Y home, Y limit ++, and Y Limit -- - IN1 has the Z home, Z limit ++, and Z Limit -- In most cases, the Limit -- is the same switch as the Home switch. These can be wired as NC (Normally closed) as a serial scheme, or as NO (Normally open) as a parallel scheme. To understand the limits and wiring schemes, check out this video: https://www.youtube.com/watch?v=d7zdo86oGig

  • how do i connect a lathe spindle speed encoder to this usb breakout board controller so i can set up for thread cutting on my lathe and on the mill for threading

    This controller does not have an encoder input to determine the speed of a lathe spindle. The Pokeys57CNC does have an available encoder input. https://www.buildyourcnc.com/item/electronicsAndMotors-electronic-component-breakout-Mach4-mach3-USB-ethernet-Board

  • Will this board operate a laser cutter and engraver

    You can adapt the Mach3 USB controller to control a laser, but I would not recommend it. A traditional laser controller that is designed to control a laser is far better since you can take advantage of more sophisticated features like sweep for engraving, and automatic adjustment of laser intensity for acceleration and deceleration. The Mach3 USB controller can move the axes and turn the laser on and off, but intensity control and engraving are not an option.

  • how many inputs on mach3

    There are 4 separate input terminals on the controller. However, you can add an unlimited number of sensors and switches to these inputs using a parallel wiring scheme for normally open circuits and a serial wiring scheme for normally closed circuits. Check out this video where I explain these wiring schemes in detail: https://www.youtube.com/watch?v=d7zdo86oGig

  • I had limit switches working and on input 2. Now looking at Mach 3 diagnostics, Input 2 is continuously on and triggers limit stop. I removed all input 2 so the machine can run. Rebooted all. Anyway to reset Input on card?

    Make sure to wire the limit as normally open.

  • my axises X,Y,Z will all light green along with my soft limit switch button. When hitting REF ALL HOME no axis move and all my DROs go back to ZERO

    You need to set up the homing/limits parameters. You can find this screen by clicking config->Homing/Limits. Make sure to wire the home switches on separate input terminals (i.e. X home switch on IN1, Y home switch on IN2, etc). You can add the limit switches to any of the IN terminals, even on the same IN terminals where the home switches are located. Check out this video on how to wire multiple switches on a single terminal. Additional Information: 20 Additional Information: 20

  • I have finally got my limit switches wired and working - thank you. Can they also used as homing switches and if so it it just a question of looping the two inputs on the board i.e. the limit and home terminals IN2 to IN3

    You will want to connect the homing switches (which may also serve as your near limit switches) to different input terminals. It's ok to add more limit switches with the home switches, but each home should be on independent inputs. For example, connect home X and any other limit switch to IN1, connect home Y and any other limit switch to IN2, and so on. This will allow you to properly use the "ref all home" button in Mach3. Additional Information: Additional Information: In the instructions (diagram 1) you show all the home switches connected in parallel? But here you say they need to each have their own inputs. "You will want to connect the homing switches (which may also serve as your near limit switches) to different input terminals." I dont see how the second and third axis can go home if the first axis has already closed the parallel circuit unless they back off a bit until the switch opens up again before the next axis goes to home? My machine has no limit switches so I assume they are home switches.

  • I have two limit switches for X, Y and Z axes connected to only one input terminal. As usual, I also want to use them as home switches. But after the first axis touches its home switch, I get an emergency stop because of "activating a limit switch". Mach 3 normally knows when to use a limit switch for homing. Which detail in the depths of Mach 3 did I forget?

    Each home switch needs to be on a separate input on the Mach3 USB controller. For instance, the x-home on IN1, Y-home on IN2, and Z-home on IN3. You can still wire the other switches on the same input, for instance, the IN can contain the X-home and X++ limit. The X, Y, and Z homes can still serve as the limit --. Additional Information: So I need 3 of 4 INs only for the home switches??? The remaining one for ++? What about E-Stop and Probe? Additional Information: Please have a look at the wiring diagram you show below. There are all limit switches at IN2 and all home switches at IN3. Makes sense to me.

  • Can this card work with a gecko g540?

    Yes, the Mach3 USB controller can work with the Gecko G540 drives. Here are the connections you will need from the Mach3 USB controller to the G540: XP terminal to Pin 2 of the DB25 LPT connector XD terminal to Pin 3 of the DB25 LPT connector YP terminal to Pin 4 of the DB25 LPT connector YD terminal to Pin 5 of the DB25 LPT connector ZP terminal to Pin 6 of the DB25 LPT connector ZD terminal to Pin 7 of the DB25 LPT connector Any pins from 18 through 25 can be connected to the GND terminals next to the XP terminal. Pins 10 through 13 can be connected to IN1, IN2, IN3, and IN4.

  • We have Gecko 203V that require 5v input signal, can this be done?

    Yes, that driver has standard step and direction signal terminals that will work fine with the Mach3 USB controller.

  • Is there a special .tap g code file I should use with this mach3 controller I�m using aspire as cad

    The post-processor that should be used in Aspire, Vectric V-Carve, Cut 2D, and other CAM programs in their suite should use Mach 2/3 Arcs (inch) or Mach 2/3 Arcs (mm).

  • Relay setting

    The Mach3 USB controller does not contain an onboard relay; however, you can use the output to control an external relay. Follow this tutorial to control an external relay on this controller: https://www.youtube.com/watch?v=Qi4M3DAtTXg Make sure the output port is set to port 3. I did not mention this in the tutorial.

  • Will the Mach3 USB interface board support other software such as Easel?

    The Mach3 USB controller is specifically engineered to integrate seamlessly with Mach3's CNC control software. Easel, on the other hand, offers an all-in-one CAD/CAM solution along with machine control capabilities. While Easel can output standard G-code compatible with industry-standard post-processors, it can serve as a design tool when used in conjunction with Mach3 but not as the machine control software.

  • Can this board drive two (2) Y-motors? Design uses 1 X, 2 Y, and 1 Z motor. The schematic has X, Y, Z

    You can use this board to have two motors/drivers on a single axis. You have two solutions for this: Wire the YP and TD to two drivers so they are receiving the same pulses and direction signals from the controller (if you need the motors to turn in opposite directions, just swap the A and B coils where the motor connects to the driver for one of the drivers/motors). This will free up an axis on the board. Use the Mach3 slaave axis option where you resolve the two motors on a single axis by software. This will require you to use the extra axis on the board.

  • Hi, I recently purchased this board and everything seems to be fine! But I am not being able to jog two axis at same time as I used to do on my older board. Did I do something wrong?

    with parallel port controllers, you have the ability to jog using two axes at the same time, but with USB controllers, this is not possible.

  • I have one of these but pc says device is faulty. If i buy one from you will you be able to fix such problems

    If your PC is unable to communicate successfully with the Mach3 USB controller that you purchased, the problem can exist outside of the controller. If the problem is with the controller, then my controller will work. If the problem is not with the controller, then the problem will persist.

  • Hi, Can I use this board with a closed loop stepper?

    Yes, this CNC controller can be used with closed-loop stepper drivers and motors. The loop for control and feedback is between the driver and the motor. The closed-loop driver receives step and direction signals, which this controller will output which furnishes the driver with the necessary signals to move the motor. Additionally, the closed-loop driver can output a fault signal to this controller through the controller's input terminals in case the motor should encounter a situation that prevents the motor from moving so the CNC can shut down.

  • Can it control a safety charge pump ?

    The pulse stream is output directly from the onboard microcontroller on the Mach3 USB controller, so there is no need for a safety charge pump from the computer to the controller. Parallel port breakout boards were connected to the computer via GPIO pins (General Purpose Input/Output) and each pin dedicated to the step pulse would be output directly from those pins. In that case, a safety charge pump was needed. Additional Information: 20 Additional Information: 20

  • Does this motion controller support Backlash Compensation?

    This controller lacks the capability for backlash compensation. While software or signal-based adjustments are feasible, they are far from optimal if the controller natively supports backlash compensation. The most effective way to address backlash is through the mechanical components of the machine itself.

  • I cant get a 5v signal on any of the Outputs on the board. what Port# and Pin #s should I be using on Mach3?

    The Mach3 USB controller does not provide 5V output signals. The Inputs, Outputs, and PWM Spindle Speed terminals are separated from the 5V side of the board. The output terminals use the 24V portion of the controller and you will need a 24V power supply to make these outputs work. Please watch the video below to completely understand how the outputs of this controller work. Make sure that you are using the RNRmotion.dll plugin and that the port for each of the outputs is set to port 3. https://www.youtube.com/watch?v=Qi4M3DAtTXg

  • I have motor control boards that have 4 pin input ( Step, Dir, EN, +5V) how do I connect this USB board?

    You can connect the 5V from the Mach3 USB controller to the 5V terminal on the driver, the XP to the Step terminal on the driver and the XD to the Dir terminal on the driver.

  • I have motor control boards that have 4 pin input ( Step, Dir, EN, +5V) how do I connect this USB board?

    Connect the XD to the Dir, XP to the Step, and the 5V on the Mach3 USB controller to the +5V.

  • Instructions read 24v on the card, can it support 36vdc ?

    The power supply that is used to power this controller must be 24VDC maximum. Any higher voltage and the controller components can be damaged. The 24VDC power supply doesn't need to be a high amp power supply. I would recommend This power supply: https://buildyourcnc.com/item/electronicsAndMotors-power-supply-24v-1a-dc

  • Hello. I have rnr controller. My problem is connection with servo ac. My servopack have logic Voltage 24v open collector. How Connect and what i need to Connect rnr with servo if rnr have 5v logic. Thx

    The Mach3 USB controller can only output pulses and direction signals (5V logic signals). To connect your Mach3 USB controller RNR controller with a servo AC that has a 24V open collector, you will need to use a level shifter circuit to convert the 5V pulses from the controller to 24V pulses that the servo can accept. One way to do this is to use a simple transistor-based level shifter circuit. Here are the steps to connect your Mach3 USB controller RNR controller with a servo AC using a level shifter circuit: Connect the 5V output signals from the Mach3 USB controller RNR controller to the base of the NPN transistor in the level shifter circuit. Connect the collector of the NPN transistor to the 24V power supply. Connect the open collector output of the servo AC to the emitter of the NPN transistor. Finally, connect the ground of the Mach3 USB controller RNR controller and the servo AC to the ground of the 24V power supply. The level shifter circuit will act as a switch, allowing the 24V power to flow to the servo AC when the 5V signal from the controller is present. Remember that the MAch3 USB controller only outputs pulses for steps per rotation of a motor. If the servo requires a different method of motor rotation, this will not work.

  • does the 24VDC input actually need 24 VDC if only using the input for homing switches? Can you use 12 VDC? and would it be damaged with a higher voltage than 24 VDC?

    Yes, you can use 12VDC for the MAch3 USB controller at the 24V and DCM terminals. I have not tested using 12VDC in conjunction with the ACM and AVI terminals (PWM output) to control the spindle speed. PWM typically requires a reference voltage (from the VFD) and it's own voltage to produce the PWM signal. I am not sure if 12VDC is sufficient for the PWM. I have tested the inputs with 12VDC and they work fine.

  • Mach3 board only jearking the steppers not rotating, i tried many settings but no luck here is the video https://1drv.ms/v/s!AuEcOHVa1BRjg7Iqu9teAEjsd4fnTA

    OK, the Issue was with the wiring: Blue and Yellow, which is A+ A-, and Red and Green, which is B+ B-. Working awesome now!

  • Stepper X and Y jerking only not rotating, using rnr board and here is video , i followed the video you created link is here https://1drv.ms/v/s!AuEcOHVa1BRjg7Iqu9teAEjsd4fnTA

    OK, the Issue was with the wiring: Blue and Yellow, which is A+ A-, and Red and Green, which is B+ B-. Working awesome now!

  • after coplete work all axis are not coming in orign point but mech3 show all axis are origen point

    To bring the machine to the origin, click the "Ref all Home" button. The machine will move to the limit switches. If the axes are not zeroed automatically, you can zero them by pressing the zero button for each axis in the digital readout (DRO) section.

  • buen dia puedo obtener una salida pwm sin conectar los 10v?

    La entrada de 10v sirve como voltaje de referencia en el extremo superior de un rango PWM. Los 10V son necesarios para que el PWM funcione correctamente.

  • After reset of E stop, I get error message "RnR Motion Card Not Found". Have you any advice?

    If you are getting the message RNR Motion Card Not Found, the controller is shorting. Check the wiring to make sure you have all of the correct wires in the correct terminals. Check the voltages of all the terminals to make sure everything shows the correct polarity and voltages. Additional Information: Mine did the same thing. Try pushing the USB cable all the way into the port and slightly up. My usb port on the card is slightly oversized and breaking the connection. Ordering some USB type B connectors off of amazon, gonna try and re-solder a new port on the card before replacing the card. Additional Information: Additional Information: I am having the same problem but nothing has fixed it. I have replaced the card but still no results. Additional Information: I am having the same problem but nothing has fixed it. I have replaced the card but still no results.

  • Although i have licensed mach, when i use that particular board it seems to run only 500 lines of code, how can i fix that? i

    You should not have a problem with using this controller and having more than 500 lines of GCode. The 500-lines limitation is specific to licensing. Make sure that the Mach3 that you are using does not show "Demo" at the top of the screen. You can also confirm this in the help->about. If you are using a license that was purchased through this website, or from Machsupport.com, you should be fine. Additional Information: i have a licence but mach 3 not work above the 500 lines

  • It is possible to use Modbus MPG with your card or it is only hardware mpg allowed?

    You can use a USB, RS232, RS485 (modbus), wireless, or hardwired MPG or Pendant with this controller. I personally use a wireless pendant with this controller without a problem.

  • does it works with Fusion 360?

    Yes, the Mach3 USB controller works with the Mach3 control software, one of the most popular control software for CNC machines. Fusion360 has a Mach3 post-processor.

  • Hello. Does this USB interface board thc? I have the proma 150.

    I do not recommend using the Mach3 USB controller to be used with a torch height controller. There are only 4 inputs on the Mach3 USB controller. We have tried to interface a Proma THC to this board without success; however, we did not exhaust all possibilities. I would recommend the Pokeys57CNC controller to connect the Proma THC as I have interfaced these two before and they work well together. https://www.buildyourcnc.com/item/electronicsAndMotors-electronic-component-breakout-Mach4-mach3-USB-ethernet-Board

  • Hello, I'm wondering if you can provide advice how to wire this USB board where for spindle I would like to use chinese servo motor and driver (TD3) - speed control mode. Especially how to connect - AVI, ACM and 10V (24V is clear). I am still not sure how to power on and off spindle itself. Thank you in advance. Vaclav

    This video should provide enough guidance to understand the PWM signal on the Mach3 USB controller: https://www.youtube.com/watch?v=aD3_0NmUowk The PWM signal is provided by the AVI terminal, and the 10V terminal is an input and provides the reference for the top voltage for the PWM signal. The ACM is the analog common (analog ground) Additional Information: Hello again, thank you for your help. Finally I was able to measure voltage between AVI and ACM, but another issue occurred. In Mach3 I am able to control spindle speed - voltage output only from 50% to 100% in other words from 0% to 49,9% the voltage output is 0V, when the percetage exceed 50% I see immideately 5,2 V as an output which is linerly increasing up to 10V. I also tried to chage input voltage from 10 to 5V, but wirh the same effect, from 0%-49,9% 0V and from 50% I see cca 2,6V which then linearly increasing up to 5V. It seems that my board is operating only in range of 5V. Thank you in advance for any advise. BR Vaclav

  • I have the wiring and programming and parameters set the same way that you do in the spindle speed control and outputs videos, I can start and stop the spindle with mach3 but can't seem to control the speed. Can you think of solutions?

    Do you have an oscilloscope? You will be able to see the PWM signal and determine if the output is correct. Make sure that you are using the 10V from the VFD as the voltage reference for the 10V terminal on the Mach3 USB controller. The 10V terminal is an input, not an output on the Mach3 USB controller. The 10V is the top voltage signal level that the Mach3 USB controller uses for the PWM signals 100% duty cycle.

  • Does the USB MACH3 controller support Sherline 1/2 pulse mode?

    The Mach3 100 kHz controller may be able to support the Sherline 1/2 pulse mode, but I have not tried it. There is no information in the documentation that is related to the parameter that can be set in Mach3 for the Sherline 1/2 pulse mode. You may be able to play with the available kHz ranges that the plugin allows to see if there is a pulse width that meets the Sherline 1/2 pulse mode specification.

  • I want to run a SAKO VFD SKI780 by means of this break out board. On https://www.youtube.com/watch?v=P6xxHj6qYSA is mentioned that the 10V terminal on the BOB is an input connection and that it ha to be connected with an external 10V supply source to obtain a 0-10V PWM signal on the AVI terminal of the BOB. I this correct?

    Make sure to watch this video that I created to correctly connect a VFD to the Mach3 USB controller. Yes, the 10V terminal on this controller is an input. VFDs typically have a 10V output that can be connected to this terminal. Additional Information: The video is here: https://www.youtube.com/watch?v=aD3_0NmUowk&t=17s Additional Information: I have connected the VFD to the BOB and configured Mach3 confirm the video. It works perfect! I have only one question left: In the Spindle setup I entered 200 in the field for the PWMBase Freq. Now I measure a PWM signal at the AVI terminal of the BOB with a frequency of 1000Hz. Should this not be 200Hz? What could be the reason? What do I have to change to obtain 200Hz? Additional Information: sako

  • Depending on the command I use (M3 S50, M3 S100, M3 S70) at a pmw base 100, Ill get not just output 1 with 24v, also outputs 2 3 or 4. Tested on 2 different boards and I just can't find the problem; at the configuration there is only output 1 enabled (port 3 pin1)

    The outputs are independent of the PWM function of the controller. The PWM uses the ACM and AVI outputs from the controller to the VFD along with the 10V input from the VFD to the controller. The 10V input serves as an upper voltage reference for the PWM output. The PWM output is discrete and does not connect with the ON/OFF outputs 1-4 terminals. Did you try testing the outputs without using the AVI and ACM PWM function?