1
/
of
4
BuildYourCNC
PoOptoIn Isolated Input Breakout Board for Pokeys57CNC Controller
PoOptoIn Isolated Input Breakout Board for Pokeys57CNC Controller
Regular price
$51.00 USD
Regular price
Sale price
$51.00 USD
Unit price
/
per
Couldn't load pickup availability
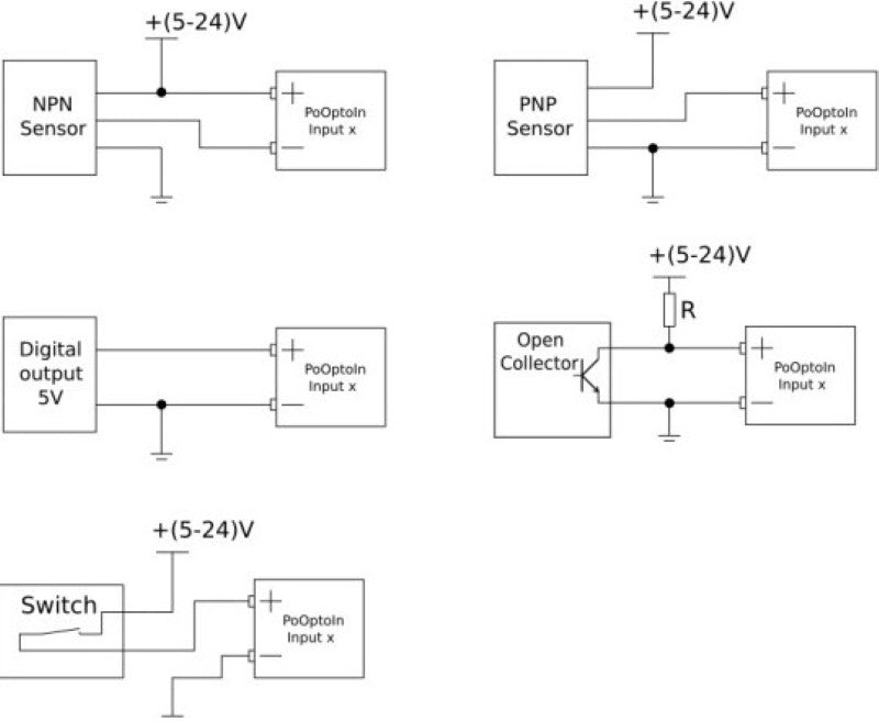
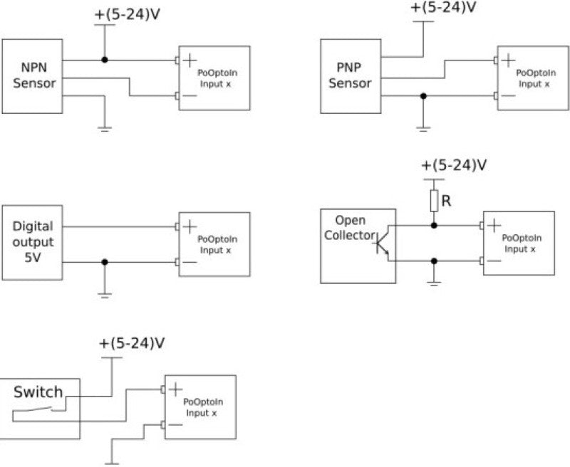
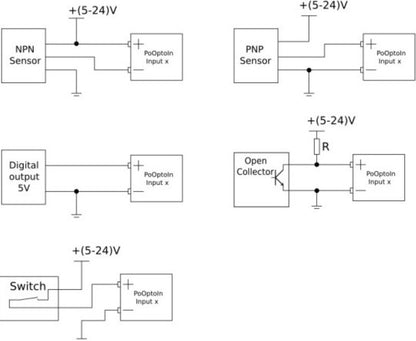
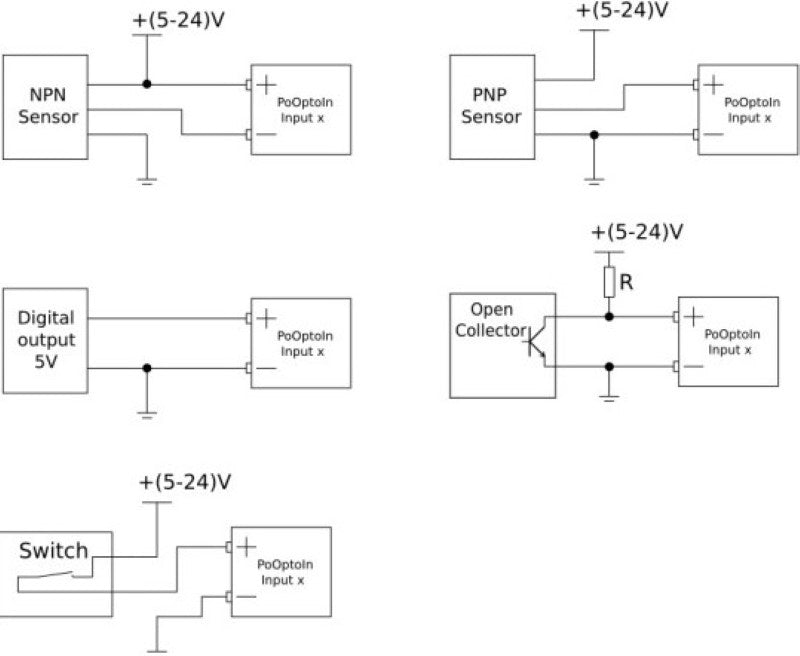
Adding limit switches and proximity sensors is best connected to a CNC with this PoOptoIn breakout board! This board will allow you to connect proximity switches even if they require a higher voltage. The inputs with this board are optically isolated so interference is isolated from these sensitive signals. The PoOptoIn is a 16-channel industrial digital input isolator, perfect for managing various input channels effectively. Here are the main characteristics and benefits: Versatility: PoOptoIn accepts an input voltage between 5-24V. This wide range makes it compatible with various devices. Safety: It offers optical isolation. This means the input connector is kept separate from the output connector, protecting your devices from electrical faults. Individual Isolation: Each input channel is independently isolated from the others. This is beneficial because it prevents any issues in one channel from affecting the others. Open Collector Outputs: The outputs are of an open collector type. It's important to note you'll need a pull-up resistor to keep the digital pin stable if you're using the board directly with a microcontroller. LED Indicators: The PoOptoIn includes LED indicators that show the status of each pin (input). Keep in mind, you'll need to power these LED indicators, but the power supply is not necessary for the overall operation of the PoOptoIn. Compatibility with Sensors: PNP and NPN sensors can be linked to the PoOptoIn to keep them isolated from digital circuitry. Additionally, the isolator can work with both precision PNP homing sensors and NPN homing sensors. Supports PoKeys57CNC Directly: When used with PoKeys57CNC, it can be connected directly to the Limit/Home IDC connector. This isolates the limit and home switches from potential interference and Electromagnetic Compatibility (EMC) issues. This is particularly recommended when using longer cables for limit and home switches. However, keep in mind that you cannot swap limit and home pins between axes. Each axis has dedicated pins. Flexibility: Besides the PoKeys57CNC, PoOptoIn is compatible with any other PoKeys device, such as PoKeys57E, PoKeys57U, or any other microcontroller. It offers the ability to isolate up to 16 inputs with LED indication effectively, making it a versatile tool in a multitude of environments. Remember, you will need to purchase a power supply for your powered proximity switches. Here is a 24V power supply perfect for this use: 24V 1 Amp Power Supply Features of this input breakout board: - 16-optical isolated digital outputs - Recommended input voltages from 5 V to 24 V (Max. 36 V) - Simple connection to PoKeys57CNC Reference/Limit switch input connector - Screw terminals on inputs How to use the board with any kind of input switch: Serial Diode for Protection Against Incorrect Wiring: Every input of PoOptoIn has a feature (a "serial diode") that keeps it safe if the wires get mixed up or connected wrongly. It's kind of like a safety guard that protects the system from any damage that could be caused by mistakes in wiring. Outputs are Open Collector: The outputs of this device don't directly connect to the voltage source. Imagine a switch that can either connect the circuit to ground (off state) or leave it open (on state). This is useful because different devices can use different voltage levels, and it gives flexibility. Output Logical Levels are Inverted: If you tell it "on", it will act as if you've said "off", and vice versa. This might seem odd, but it's just the way this system works. When you give it a command, you have to remember it will do the opposite. Input Voltage Level Depends on Sensor Device Specification: The amount of electricity that you need to feed into the device depends on what the sensor device (like a switch) requires. So, you need to check the sensor's manual or specifications to know how much to supply. Should Not Be Supplied from the Isolated Side: This simply means don't provide power to the system from a part of the circuit that's cut-off or isolated from the rest. It won't work correctly and it could even cause damage.
Share

Questions & Answers
Have a Question?
-
what if i want the cnc machine assembled ?
We do not sell pre-assembled machines. The shipping on a fully assembled machine would be huge. Additional Information: Please call me at 818-823-4830...have a couple questions about my orders. Thanks! Additional Information: Pre assembled...??? ...no, please call me at 8188234830